DJ-131/60C电压继电器技术条件及应用范围-上海上继科技有限公司
发布时间:2019-10-03
一、DJ-131/60C电压继电器应用范围
DJ-131/60C电压继电器为电磁式瞬动电压继电器。广泛用于电力系统二次回路保护线中,作为低电压和过电压保护的启动元件。
二、DJ-131/60C电压继电器主要技术条件

动作时间:过电压继电器在1.1倍实测动作值时,动作时间不大于0.12s;低电压继电器在0.5倍实测动作值时,动作时间不大于0.15s;
触点容量:在电压不超过250V,电流不超过5A,时间常数为5 ±0.75ms的直流有感负荷电路中,产品输出触点的断开容量为50W。输 出触点在上述规定的负荷条件下,产品能可靠动作及返回5×104次。输出触点长期允许接通电流为5A。
介质强度:产品各导电端子连在一起,对外露的非带电金属部分或外壳之间,能承受2000V(有效值)50Hz交流电压历时1分钟试验而 无绝缘击穿或闪络现象。
三、DJ-131/60C电压继电器内部接线及外引接线图(正视图)

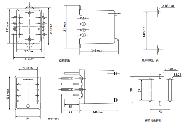
四、DJ-131/60C电压继电器外形尺寸及开孔尺寸

公司介绍:上海上继科技有限公司是一家专业从事电力系统继电保护及智能电网电力自动化产品的研发、设计、生产、销售和服务为一体的高科技公司。拥有资深继电保护专家团队和国内**的检测仪器及校验设备。同时还引用国内外先进技术,来进行技术创新。本公司的产品广泛用于电力、工矿、铁路、建筑等国家重大工程输配变电系统上,产品远销东南亚及中东地区。产品通过国家继电保护及自动化设备质量监督检验中心检测,获得ISO9001国际质量体系认证。“科技创新,诚信务实”是公司的经营理念,本公司以高超的技术支持和对用户高度负责的售后服务赢得了输配电成套企业的信赖,且树立了良好的信誉。
上海上继科技有限公司(专注电力保护继电器生产厂家)销售热线:021-57233089 QQ:1932551438
{以上内容仅供参考,上海上继科技有限公司有最终解释权}
更多继电器精彩文章——DJ-122电压继电器说明书及技术条件