ZSX-3水位信号装置接线图及应用范围-上海上继科技有限公司
发布时间:2019-10-04一、ZSX-3水位信号装置应用范围
ZSX-3水位信号装置用于水轮合发电机组自动化系统中,作为反应水位变化的信号元件。

二、ZSX-3水位信号装置技术要求
1、额定电压:装置的额定电压为交流220V、50Hz。
2、动作值:装置的动作电压不超过85%额定电压。
3、动作时间:在额定电压下,装置动作时间不大于50ms。
4、功率消耗:在额定电压下,功率消耗不大于3VA。
5、线圈温升:当周围环境为40°C时,装置线圈应能长期承受1.1倍额定电压,其温升不超过60°C。
6、触点断开容量:在直流有感(τ=5ms)回路, U≤250V, I≤0.4A为30W。
7、介质强度:装置所有电路对外壳之间及非带电金属部分应能耐受2㎸(有效值) , 50Hz的交流试验电压,历时1min ,而无绝缘击穿或闪络现象 。
8、寿命:机械寿命为104次;电寿命为103次。
三、ZSX-3水位信号装置工作原理
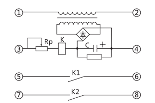
装置由变压器、整流桥、小型密封电磁继电器、电容器、电位器等组成。原理接线图见图1。
装置端子①、②接交流220V、50Hz电源,当水位上升到使③、④(接水位电极)形成通路时电磁继电器K动作 ,动合触点闭合 ,装置发出信号。

四、ZSX-3水位信号装置安装尺寸

公司介绍:上海上继科技有限公司是一家专业从事电力系统继电保护及智能电网电力自动化产品的研发、设计、生产、销售和服务为一体的高科技公司。拥有资深继电保护专家团队和国内**的检测仪器及校验设备。同时还引用国内外先进技术,来进行技术创新。本公司的产品广泛用于电力、工矿、铁路、建筑等国家重大工程输配变电系统上,产品远销东南亚及中东地区。产品通过国家继电保护及自动化设备质量监督检验中心检测,获得ISO9001国际质量体系认证。“科技创新,诚信务实”是公司的经营理念,本公司以高超的技术支持和对用户高度负责的售后服务赢得了输配电成套企业的信赖,且树立了良好的信誉。
上海上继科技有限公司(专注电力保护继电器生产厂家)销售热线:021-57233089 QQ:1932551438
{以上内容仅供参考,上海上继科技有限公司有最终解释权}
更多继电器精彩文章——DJ-131电压继电器产品图片及生产厂家