DLS-31A双位置继电器主要用途及技术条件-上海上继科技有限公司
发布时间:2019-10-04
一、DLS-31A双位置继电器技术条件
1.触点形式

2.额定值(激励量均为直流)

a.电压绕组的动作值不大于额定电压值的70% ;3.动作值
b.电流绕组的动作值不大于额定电流值的90%。
4.功率消耗
当输入激励量为额定值时,产品中每个绕组的功率消耗不大于12W。
5.热性能
当环境温度为+40°C时,产品线圈应能承受110%额定值历时2min,其温升不超过65°C。
6.介质强度
产品各导电电路连在一起对外露的非带电金属零件或外壳之间,以及线圈电路对触点电路之间,应能承受2kV(有效值) , 50Hz的交流试验电压历时1min的试验,而无绝缘击穿或闪络现象。
7.触点性能
产品触点应能断开电压不超过250V,电流不超过1A,容量为50W的直流有感负荷电路(时间常数为5±75ms) ,或电压不超过
250V,电流不超过3A,容量为250VA的交流电路(功率因数为0.4±0.1 ) 5000次。
8.机械寿命
产品的机械寿命为10000次。
9.产品的动作速率应不大于60次/h,线圈每次通电时间不超过1s。
二、DLS-31A双位置继电器主要用途
DLS-31A型双位置继电器(以下筒称产品)用于各种保护装置中,以实现机械闭锁,并有位置指示。
三、DLS-31A双位置继电器工作原理
1.结构
产品由两个相互联接的电磁机构、互锁滑块机构、位置指示器及触点系统组成。每个电磁机构由磁轭、线圈及衔铁组成,互锁滑块机构由两个滑块及拉簧组成。
2.工作原理
电磁机构的原理同一般的拍合式继电器,当其中一个电磁机构被激励时,其电磁线圈产生电磁力矩,吸合衔铁,衔铁
帯动互锁滑块机构,当去掉激励量时,由于互锁机构的作用,使得衔铁保持在一个位置上,同时,衔铁带动了触点系统,使得触点也保持在一个位置上。当另一个电磁机构被激励时,使得衔铁和触点系统保持在另一个位置上。而两个电磁机构不能同时施加激励量。
当衔铁动作时,帯动了位置指示器,指示出产品所处的位置。绿牌表示跳闸位置,红牌表示合闸位置。
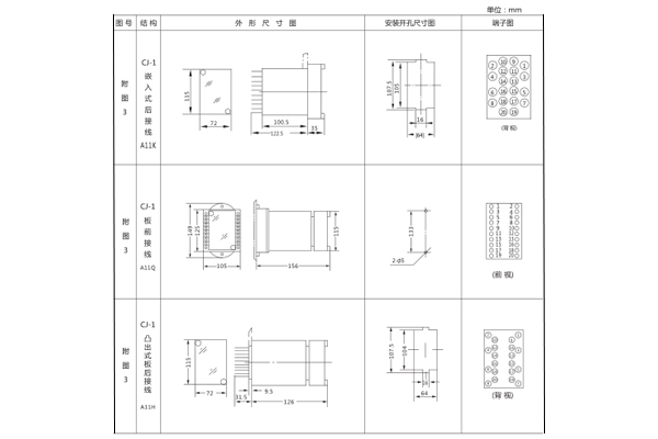
四、DLS-31A双位置继电器开孔尺寸

公司介绍:上海上继科技有限公司是一家专业从事电力系统继电保护及智能电网电力自动化产品的研发、设计、生产、销售和服务为一体的高科技公司。拥有资深继电保护专家团队和国内**的检测仪器及校验设备。同时还引用国内外先进技术,来进行技术创新。本公司的产品广泛用于电力、工矿、铁路、建筑等国家重大工程输配变电系统上,产品远销东南亚及中东地区。产品通过国家继电保护及自动化设备质量监督检验中心检测,获得ISO9001国际质量体系认证。“科技创新,诚信务实”是公司的经营理念,本公司以高超的技术支持和对用户高度负责的售后服务赢得了输配电成套企业的信赖,且树立了良好的信誉。
上海上继科技有限公司(专注电力保护继电器生产厂家)销售热线:021-57233089 QQ:1932551438
{以上内容仅供参考,上海上继科技有限公司有最终解释权}
更多继电器精彩文章——DJ-131/60CN电压继电器说明书及应用范围