DY-23D电压继电器说明书及技术参数-上海上继科技有限公司
发布时间:2019-10-04
一、DY-23D电压继电器说明书
DY-23D电压继电器用于发电机、变压器及输电线的电压升高(过电压保护)或电压降低(低电压闭锁)的继电保护线路中。
二、DY-23D电压继电器主要技术参数

●动作时间:过电压继电器在1.2倍整定值时,动作时间不大于0.12s;低电压继电器在0.5倍整定值时,动作时间不大于0.15s;
●触点容量:在电压不超过250V,电流不超过5A,时间常数为5±0.75ms的直流有感负荷电路中,产品输出触点的断开容量为 50W。输出触点在上述规定的负荷条件下,产品能可靠动作及返回5×104次。输出触点长期允许接通电流为5A。
●介质强度:产品各导电端子连在一起,对外露的非带电金属部分或外壳之间,能承受2000V(有效值)50Hz的交流电压历时1分钟试 验而无绝缘击穿或闪络现象。
●触点形式:l动合、1动断、1动合1动断、2动合、2动断
三、DY-23D电压继电器的触点性能
a. 触点断开容量:在直流有感(τ= 5ms)回路,U≤250V,I≤2A,为50W;在交流(cosφ=0.4)回路,U≤250V,I≤2A,为250VA。
b. 电寿命:5×10次。
c. 机械寿命为10次。
四、DY-23D电压继电器的原理
电压继电器分为凸出式固定结构,凸出式插拔式结构,嵌入式插拔结构,导轨式结构等,并有透明的塑料外罩(导轨式为全封闭式),用薄码进行整定。
当被测量的交流电压经隔离变压器降压后得到与被测电压成正比的电压Ui,经整定后进行整流,整流后脉冲电压经滤波器滤波,得到与Ui成正比的直流电压Uo,在电平检测中Uo与直流参考电压Ue进行比较,若直流电压 Uo 高于参考电压,电平检测器输出正信号,驱动出口继电器,则本继电器处于动作状态。反之,不论是过电压继电器或是低电压继电器,若直流电压 Uo 低于参考电压Ue,电平检测器输出负信号,本继电器处于不动作状态。
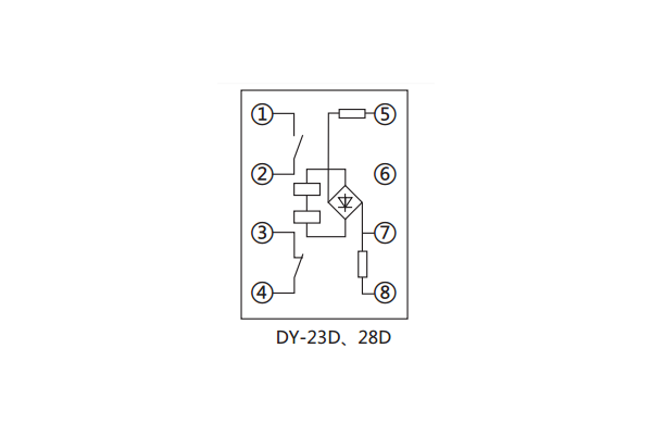
五、DY-23D电压继电器内部接线图及外引接线图(正视图)

公司介绍:上海上继科技有限公司是一家专业从事电力系统继电保护及智能电网电力自动化产品的研发、设计、生产、销售和服务为一体的高科技公司。拥有资深继电保护专家团队和国内**的检测仪器及校验设备。同时还引用国内外先进技术,来进行技术创新。本公司的产品广泛用于电力、工矿、铁路、建筑等国家重大工程输配变电系统上,产品远销东南亚及中东地区。产品通过国家继电保护及自动化设备质量监督检验中心检测,获得ISO9001国际质量体系认证。“科技创新,诚信务实”是公司的经营理念,本公司以高超的技术支持和对用户高度负责的售后服务赢得了输配电成套企业的信赖,且树立了良好的信誉。
上海上继科技有限公司(专注电力保护继电器生产厂家)销售热线:021-57233089 QQ:1932551438
{以上内容仅供参考,上海上继科技有限公司有最终解释权}
更多继电器精彩文章——DY-21D电压继电器主要用途及产品价格