DLS-31A双位置继电器生产厂家及产品价格-上海上继科技有限公司
发布时间:2019-10-04
一、DLS-31A双位置继电器生产厂家
上海上继科技有限公司是一家专业从事电力系统继电保护及智能电网电力自动化产品的研发、设计、生产、销售和服务为一体的高科技公司。 公司依托国际大都市上海的优越环境,拥有资深继电保护专家团队,熟悉中国电网实际运行特点,联合国内外**高校不断引进国内外先进技术,积极响应市场的需求,技术不断创新,坚持行业**地位,主要生产电力继电器及微机综合保护装置,电力智能配电设备,变电站自动化监控系统。产品广泛用于电力、工矿、铁路、建筑等国家重大工程输配变电系统上,产品远销东南亚及中东地区。
二、DLS-31A双位置继电器工作原理
1.结构
产品由两个相互联接的电磁机构、互锁滑块机构、位置指示器及触点系统组成。每个电磁机构由磁轭、线圈及衔铁组成,互锁滑块机构由两个滑块及拉簧组成。
2.工作原理
电磁机构的原理同一般的拍合式继电器,当其中一个电磁机构被激励时,其电磁线圈产生电磁力矩,吸合衔铁,衔铁
帯动互锁滑块机构,当去掉激励量时,由于互锁机构的作用,使得衔铁保持在一个位置上,同时,衔铁带动了触点系统,使得触点也保持在一个位置上。当另一个电磁机构被激励时,使得衔铁和触点系统保持在另一个位置上。而两个电磁机构不能同时施加激励量。
当衔铁动作时,帯动了位置指示器,指示出产品所处的位置。绿牌表示跳闸位置,红牌表示合闸位置。
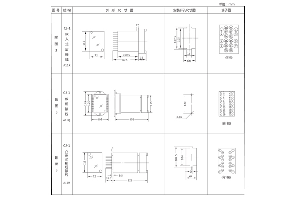
三、DLS-31A双位置继电器接线图

四、DLS-31A双位置继电器开孔尺寸

五、DLS-31A双位置继电器产品价格
公司一贯以“合理的价格,高质量的产品,准时的交货期,良好的信誉服务”为基本准则。本公司期待成为你忠实的朋友和合作伙伴,共创互惠双赢的未来!更多价格详细内容请来电咨询:021-57233089,如有任何疑问可以在线联系公司客服。
公司介绍:上海上继科技有限公司是一家专业从事电力系统继电保护及智能电网电力自动化产品的研发、设计、生产、销售和服务为一体的高科技公司。拥有资深继电保护专家团队和国内**的检测仪器及校验设备。同时还引用国内外先进技术,来进行技术创新。本公司的产品广泛用于电力、工矿、铁路、建筑等国家重大工程输配变电系统上,产品远销东南亚及中东地区。产品通过国家继电保护及自动化设备质量监督检验中心检测,获得ISO9001国际质量体系认证。“科技创新,诚信务实”是公司的经营理念,本公司以高超的技术支持和对用户高度负责的售后服务赢得了输配电成套企业的信赖,且树立了良好的信誉。
上海上继科技有限公司(专注电力保护继电器生产厂家)销售热线:021-57233089 QQ:1932551438
{以上内容仅供参考,上海上继科技有限公司有最终解释权}
更多继电器精彩文章——JPB-A数字式频率继电器接线图及应用范围