DY-25C电压继电器应用范围及生产厂家 -上海上继科技有限公司
发布时间:2019-10-05
一、DY-25C电压继电器应用范围
DY-25C电压继电器用于发电机、变压器及输电线的电压升高(过电压保护)或电压降低(低电压闭锁)的继电保护线路中。
二、DY-25C电压继电器生产厂家
上海上继科技有限公司是一家专业从事电力系统继电保护及电力自动化的高新技术企业。公司主要生产各种微机综合保护装置,电力保护继电器、电力仪表等产品。公司集研发、设计、生产、销售和服务于一体,致力于为国内外输配电、水利、城建、能源、矿山、化工客户提供一整套从低压到高压、从硬件到软件的系统级整体解决方案和配套服务。公司总部设在上海,全国各地设有办事机构。
三、DY-25C电压继电器的触点性能
a. 触点断开容量:在直流有感(τ= 5ms)回路,U≤250V,I≤2A,为50W;在交流(cosφ=0.4)回路,U≤250V,I≤2A,为250VA。
b. 电寿命:5×10次。
c. 机械寿命为10次。
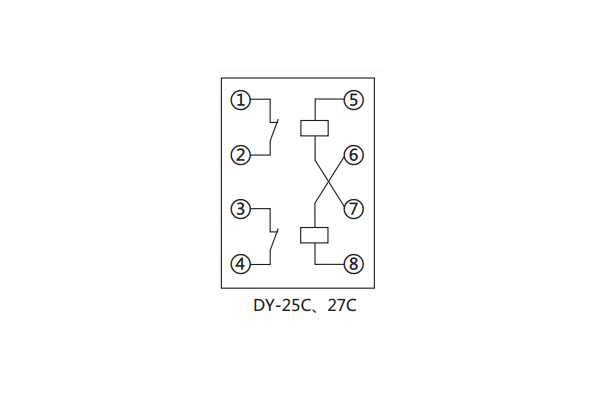
四、DY-25C电压继电器内部接线图及外引接线图(正视图)

公司介绍:上海上继科技有限公司是一家专业从事电力系统继电保护及智能电网电力自动化产品的研发、设计、生产、销售和服务为一体的高科技公司。拥有资深继电保护专家团队和国内**的检测仪器及校验设备。同时还引用国内外先进技术,来进行技术创新。本公司的产品广泛用于电力、工矿、铁路、建筑等国家重大工程输配变电系统上,产品远销东南亚及中东地区。产品通过国家继电保护及自动化设备质量监督检验中心检测,获得ISO9001国际质量体系认证。“科技创新,诚信务实”是公司的经营理念,本公司以高超的技术支持和对用户高度负责的售后服务赢得了输配电成套企业的信赖,且树立了良好的信誉。
上海上继科技有限公司(专注电力保护继电器生产厂家)销售热线:021-57233089 QQ:1932551438
{以上内容仅供参考,上海上继科技有限公司有最终解释权}
更多继电器精彩文章——DLS-31A双位置继电器主要性能及技术要求