闪光继电器厂家推荐-上海上继科技有限公司
发布时间:2019-07-13
上海上继科技有限公司是一家专业从事电力系统继电保护及智能电网电力自动化产品的研发、设计、生产、销售和服务为一体的高科技公司。
公司依托国际大都市上海的优越环境,拥有资深继电保护专家团队,熟悉中国电网实际运行特点,联合国内外**高校不断引进国内外先进技术,积极响应市场的需求,技术不断创新,坚持行业**地位,主要生产电力继电器及微机综合保护装置,电力智能配电设备,变电站自动化监控系统。产品广泛用于电力、工矿、铁路、建筑等国家重大工程输配变电系统上,产品远销东南亚及中东地区。
公司具备国内**的检测仪器及校验设备,建立了模拟运行老化系统,以精湛的技术严格的生产制造工艺,健全的生产管理体系,精耕细作,精益求精。产品通过国家继电保护及自动化设备质量监督检验中心检测,获得ISO-9001:2000国际质量体系认证。
“科技创新,诚信务实”是公司的经营理念,上继科技以售前技术支持,售后完善服务,在电力系统中树立了良好的声誉,深受各大设计院的认可,赢得输配电成套企业的信赖。上继科技本着对社会,对用户高度的责任感,坚持走专业化道路,继续创新超越,为我国智能电网电力自动化做出更大的贡献!

DX-9闪光继电器用于信号回路,当电源接通后,触点可周期性地接通和断开,从而使受控的灯光信号发出闪光。
一、DX-9闪光继电器的接线图

二、DX-9闪光继电器的开孔尺寸

三、DX-9闪光继电器的技术数据
●额定值:直流220V、110V、48V、24V; 交流220V;50Hz。
●触点形式:二组动合、一组动断。
●动作值:不大于80%额定值。
●闪光频率:每分钟40~80次。
●功率消耗:直流不大于5W;交流不大于12VA。
●触点容量:在电压不超过250V,电流不超过5A,时间常数为5±0.75ms的直流有感负荷电路中,产品输出触点的断开容量为50W。输出触点在上述规定的负荷条件下,产品能可靠动作及返回5×104次。输出触点长期允许接通电流为5A。
●介质强度:产品各导电端子连在一起,对外露的非带电金属部分或外壳之间,能承受2000V(有效值)50Hz的交流电压,历时1分钟试验,而无绝缘击穿或闪络现象。

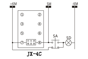
JX-4C闪光继电器用于信号回路。电源接通后,可以使受控的灯光发出闪光信号。
一、JX-4C闪光继电器的接线图

二、JX-4C闪光继电器的技术数据
·额定电压:直流220V、110V、48V、24V;交流220V, 50HZ. ·动作值:不大于60%额定电压;最小动作电流8mA。
·闪光频率: 1±0. 1次/分钟、60+5次/分钟、120±10次/分钟。 ·负裁能力:**负裁电流2A。
·功率消耗:不大于1W。
·介质强度:帯电端子对外売耐压2000V。
三、JX-4C闪光继电器的开孔尺寸

上海上继科技有限公司(专注电力保护继电器生产厂家)销售热线:021-57233089 QQ:1932551438
{以上内容仅供参考,上海上继科技有限公司有最终解释权}
更多继电器精彩文章——JX-E/3信号继电器特点及开孔尺寸