闪光继电器生产厂家-上海上继科技有限公司
发布时间:2019-07-13
上海上继科技有限公司是一家专业从事电力系统继电保护及智能电网电力自动化产品的研发、设计、生产、销售和服务为一体的高科技公司。拥有资深继电保护专家团队和国内**的检测仪器及校验设备。同时还引用国内外先进技术,来进行技术创新。本公司的产品广泛用于电力、工矿、铁路、建筑等国家重大工程输配变电系统上,产品远销东南亚及中东地区。产品通过国家继电保护及自动化设备质量监督检验中心检测,获得ISO-9001:2000国际质量体系认证。“科技创新,诚信务实”是公司的经营理念,本公司以高超的技术支持和对用户高度负责的售后服务赢得了输配电成套企业的信赖,且树立了良好的信誉。

DX-10B闪光继电器用于电力系统断路器的位置信号灯不对应闪光,该继电器是为了适应当前推广使用发光二极管节能指示灯而设计。但也可通用于原有的各类白炽指示灯,是DX-1、DX-3型闪光继电器的更新换代产品。由于该继电器的适应能力强,起动电流小(10mA)特点,故也是其它各种报警电路中理想的报警继电器。
一、DX-10B闪光继电器的参数
●继电器额定电压:直流220V或110V(交流220V或110V)。
●继电器闪光频率:每分钟100±30次可整定。
●继电器触点负载能力:220VAC、3A继电器最小起动电流10mA。
●介质强度:产品各导电端子连在一起,对外露的非带电金属部分或外壳之间,能承受2000V(有效值)50Hz交流电压历时1分钟试验而无绝缘击穿或闪络现象。
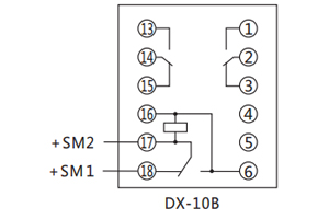
二、DX-10B闪光继电器的接线图

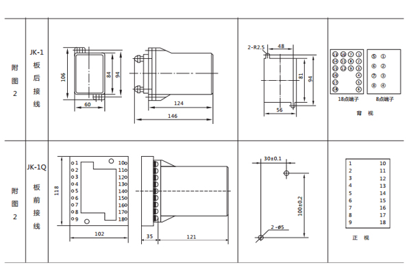
三、DX-10B闪光继电器的开孔尺寸


JX-3/1静态闪光继电器主要用于各种镶嵌屏上,当被保护系统发生故障,主保护继电器动作时,通过闪光继电器控制各种灯光信号。
一、JX-3/1闪光继电器的开孔尺寸

二、JX-3/1闪光继电器的参数
1.额定直流辅助电压: 48V,110V,220V。
2.闪光频率: 60次/min。
3.功率消耗:直流电压回路(辅助激励量)功耗220V时不大于15W,110V时不大于7W,48V时不大于3W。
4.触点性能
4.1触点容量:在电压不大于250V,电流不大于2A,时间常数为40ms的直流回路中,触点断开容量为30W。在交流电路中为 300VA(cosφ=0.4±0.1),触点长期通电流为2A。
4.2继电器触点型式继电器提供一付动合触点。
5.工作条件
a)使用地点不允许有爆炸危险的介质,周围介质中不含有腐蚀金属和破坏绝缘的气体及导电介质,不允许充满水蒸汽和有较严重的霉菌存在;
b)使用地点不允许有较强的振动和冲击;
c)使用地点应具有防御雨、雪、风、沙的设施;
d)使用地点不允许超过1.5mT的外磁感应强度。
6.介质强度: 继电器各导电电路对外露非带电金属部分及外壳之间以及不同回路之间应能承受2kV(有效值),50Hz的交流试验电压,历时1min试验,而无绝缘击穿及闪络现象。
7.电气抗干扰 :继电器应符合GB7261和GB6261《静态继电器及保护装置的电气抗干扰试验》。
三、JX-3/1闪光继电器的接线图

上海上继科技有限公司(专注电力保护继电器生产厂家)销售热线:021-57233089 QQ:1932551438
{以上内容仅供参考,上海上继科技有限公司有最终解释权}
更多继电器精彩文章——JX-G/1信号电器安装尺寸及技术数据