重合闸继电器厂家推荐-上海上继科技有限公司
发布时间:2019-07-18
上海上继科技有限公司是一家专业从事电力系统继电保护及智能电网电力自动化产品的研发、设计、生产、销售和服务为一体的高科技公司。
公司依托国际大都市上海的优越环境,拥有资深继电保护专家团队,熟悉中国电网实际运行特点,联合国内外**高校不断引进国内外先进技术,积极响应市场的需求,技术不断创新,坚持行业**地位,主要生产电力继电器及微机综合保护装置,电力智能配电设备,变电站自动化监控系统。产品广泛用于电力、工矿、铁路、建筑等国家重大工程输配变电系统上,产品远销东南亚及中东地区。
公司具备国内**的检测仪器及校验设备,建立了模拟运行老化系统,以精湛的技术严格的生产制造工艺,健全的生产管理体系,精耕细作,精益求精。产品通过国家继电保护及自动化设备质量监督检验中心检测,获得ISO-9001:2000国际质量体系认证。
“科技创新,诚信务实”是公司的经营理念,上继科技以售前技术支持,售后完善服务,在电力系统中树立了良好的声誉,深受各大设计院的认可,赢得输配电成套企业的信赖。上继科技本着对社会,对用户高度的责任感,坚持走专业化道路,继续创新超越,为我国智能电网电力自动化做出更大的贡献!

JCH-3静态重合闸继电器在输配电线中作为三相一次自动重合闸之用,与继电保护装置相配合 , 将被保护断开的断路器自动重合一次,若为瞬时故障,重合闸后经15~25s时间自动准备好下一次动作,若为永久性故障,重合闸后保护再次将断路器断开,不再合闸。
一、JCH-3重合闸继电器的原理
继电器由稳压、延时、计数、执行及保持部分组成(见图1)。装有三只发光二极管,监视电源、充电和启动是否完好,正常时二只发光二极管亮,启动发光二极管不亮。当加入电源或自动重合闸后经15-25s充电延时部分充好电,准备好工作。一旦断路器故障跳闸,启动回路有信号输入,经整定延时后,有信号输出,因充电延时部分已充好电,所以执行部分工作,即发出合闸脉冲并自保持,直到断路器合闸后,合闸回路的断路器辅助触点断开,解除自保持。在此过程中,延时部分复位清零。如为瞬时性故障,经15-25s后充电延时部分再次充好电,准备好下一次动作,如为永久性故障,自动重合闸后,保护装置将断路器再次跳闸,启动回路又有信号输入, 但由于充电延时部分还未充好电,执行及保持部分不工作,只要启动信号存在,充电延时部分就一直处于放电状态,充不上电,保证可靠不重合第二次。如要闭锁合闸 ,例如手动分闸或低周减载动作,接通放电回路,这时充电延时回路和启动延时回路被闭锁,就能可靠闭锁重合闸不工作。

二、JCH-3重合闸继电器的参数
1、合闸电流: 0.25A~2.5A范围内通用, 80%的最小合闸电流(0.2A)时合闸回路应能自保持。合闸回路允许2倍额定电流接通10分钟。
2、启动延时范围:0.1~9.9s,级差0.1s。
3、延时精度: 0.1~9.9s时,误差≤±(0.1%+15ms)。
4、再次重合闸的充电时间: 15~25s(80%-110%额定电压内) ,如应用于弹黃储能操作机构断路器,可提供25~35s的产品,订货时需注明。
5、合闸脉冲宽度: 100~120ms。
6、功率消耗:
a、工作电源回路见下表

b、启动回路:合闸电流为2.5A时,不大于3W。
三、JCH-3重合闸继电器的开孔尺寸


DH-2A重合闸继电器用于输电线路上实现三相一次重合闸接线中,作为重合闸元件。
一、DH-2A重合闸继电器的参数

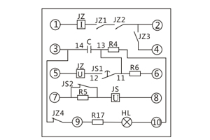
二、DH-2A重合闸继电器的接线图

三、DH-2A重合闸继电器的开孔尺寸

上海上继科技有限公司(专注电力保护继电器生产厂家)销售热线:021-57233089 QQ:1932551438
{以上内容仅供参考,上海上继科技有限公司有最终解释权}
更多继电器精彩文章——DY-29CE电压继电器技术数据及安装尺寸