重合闸继电器生产厂家-上海上继科技有限公司
发布时间:2019-07-18
上海上继科技有限公司是一家专业从事电力系统继电保护及智能电网电力自动化产品的研发、设计、生产、销售和服务为一体的高科技公司。
公司依托国际大都市上海的优越环境,拥有资深继电保护专家团队,熟悉中国电网实际运行特点,联合国内外**高校不断引进国内外先进技术,积极响应市场的需求,技术不断创新,坚持行业**地位,主要生产电力继电器及微机综合保护装置,电力智能配电设备,变电站自动化监控系统。产品广泛用于电力、工矿、铁路、建筑等国家重大工程输配变电系统上,产品远销东南亚及中东地区。
公司具备国内**的检测仪器及校验设备,建立了模拟运行老化系统,以精湛的技术严格的生产制造工艺,健全的生产管理体系,精耕细作,精益求精。产品通过国家继电保护及自动化设备质量监督检验中心检测,获得ISO-9001:2000国际质量体系认证。
“科技创新,诚信务实”是公司的经营理念,上继科技以售前技术支持,售后完善服务,在电力系统中树立了良好的声誉,深受各大设计院的认可,赢得输配电成套企业的信赖。上继科技本着对社会,对用户高度的责任感,坚持走专业化道路,继续创新超越,为我国智能电网电力自动化做出更大的贡献!

DH-2A重合闸继电器用于输电线路上实现三相一次重合闸接线中,作为重合闸元件。
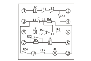
一、DH-2A重合闸继电器的接线图

二、DH-2A重合闸继电器的参数

三、DH-2A重合闸继电器的开孔尺寸


DCH-1重合闸装置用于输电线路上实现三相一次重合闸的接线中,作为它的主要组成部分。
一、DCH-1重合闸装置的结构
装置由一台时间继电器( DS-32C型作为时间元件)、一台中间继电器(作为中间元件)及一些电阻、电容元件组成,它们被固定在绝缘的安装板上,安装板又被固定在金属的底座上。装置具有金属的外壳,它通过螺杆被紧固在底座上。装置具有透明塑料盖子。从外面可以观察装置动作情况。
装置动作情况,装置内部接线图见图1

二、DCH-1重合闸装置的原理
用于单端供电的一次重合闸装置(见图2 ) 。
图中触点的位置相当于输电线路的正常工作情况;断路在合闸位置,重合闸装置中的电容器C经过技組触点EF和电阻4R已经充满电, 整个装置准备着动作。装置的动作原理分以下几个方面加以说明:

断路器由保护动作或其它原因(触点J闭合)而跳间
此时断路器辅助触点UI返回,中间继电器9ZJ启动(利用10R限制电流,以防止断路器合闸线圈0H同时启动)其触点闭合后,启动重合闸装置的时间元件SJ,经过延时后触点SJ1闭合,电容器C通过SJ,对ZJ(v)放电。ZJ(v)启动后接通了断路器合闸回路(由+→EF→②→ZJ1→XJ(o→①→ XJ→3H→11ZJ2→0H→UI→- )0H通电后,实现一次重合闸 ,与此同时,信号继电器XJ发出信号,由于ZJ(I)的作用, 使触点ZJ1ZJ2能自保持到断路器完成合间,其触点断开为止。如果线路上发生的是暂时性故障 ,则合闸成功后,电容器自选充电,装置重新处于准备动作的状态。
如果线路上存在有永久性故障
此时重合闸不成功断路器第二次跳闸,9ZJ与SJ仍同前而启动,但是由于这一段时间是远远小于电容器充电到使ZJ(v)启动所必需的时间( 15~25s)因而保证了装置只动作一次。
重合闸装置中间元件的触点ZJ,发生卡住或者熔接
为了防止在这种情况下断路器多次合闸到永久性故障的线路上去,用中间断电器11ZJ,因为断路器合闸于永久性故障时,触点J再次闭合跳闸回路(由+→J→11ZJ(I)→UⅡ→0F→- ) 11ZJ(I)启动,如果ZJ1已熔接或卡住,则中间继电器通过11ZJ(V)自保持,并通过11ZJ3 发出信号.其动断触点11ZJ2断开了合闸线圈回路.从而防止了断路器多次合闸。
手动跳间
当按下F,断路器跳闸后.由于EF已断开,切断了装置的启动回路,避免了断路器发生合闸。
手动合闸
(在投入前应先将装置中电容器C放电完毕)当按下H,按通电容器C的充电回路(由+→EF→⑧→4R→C→③→- )此时如果在输电线路上存在有永久性故障,则断路器很快又被切除,因为电容器来不及充电到使ZJ(V)启动所必需的电压,从而避免了断路器发生合闸。
用于双端供电的一次重合闸装置( 见图3)
图3与图2不同之处,仅仅是在重合合闸装置的启动回路中啬了由低电压继电器的触点YJ1及YJ2同步检査继电器的触点TJ以及连接片9H所共同组成的换接线路以执行检査线路无电压或者检査线路同步的任务。氖气灯ND,是用于指示双端供电的输电线路重合闸的实现。常常是在输电线路一侧采用检査线路无电压的接线方式,而另一侧采用检査线路同步的方式,并且应保证装有检査线路无电压这一侧之重合闸先动作(见图4) ,下面将分别加以叙述。
9H处于检査线路无电的位置(见图3、4 略)
YJ为低电压继电器,触点YJ1与YJ2的位置与继电器线圈无电压时相对应。
因此YJ2只可能在对端断路器确定跳图后(即线路无电压存在) ,才允许重合闸装置启动,此外当线路上存在着由残余电荷所造成较大静电电压时也不允许装置启动 。
9H处于检査线路同步的位置(看图3)
此时由于对端已经合闸,故线路上出现电压,YJ1应闭合。如果母线的电压大小,相位与线路电压的大小,相位之差别在允许合闸的范围内(即认为同步) ,则同步检査继电器的触点TIJ处于闭合位置(如图3略所示) ,此时重合闸装置能够启动,反之如果两者相差较大(出现非同步时)则TJ启动,其触点打开,重合闸装置就不能启动。
三、DCH-1重合闸装置的开孔尺寸

上海上继科技有限公司(专注电力保护继电器生产厂家)销售热线:021-57233089 QQ:1932551438
{以上内容仅供参考,上海上继科技有限公司有最终解释权}
更多继电器精彩文章——DY-28CE电压继电器安装尺寸及参数