重合闸继电器生产厂家介绍-上海上继科技有限公司
发布时间:2019-07-18
上海上继科技有限公司是一家专业从事电力系统继电保护及智能电网电力自动化产品的研发、设计、生产、销售和服务为一体的高科技公司。
公司依托国际大都市上海的优越环境,拥有资深继电保护专家团队,熟悉中国电网实际运行特点,联合国内外**高校不断引进国内外先进技术,积极响应市场的需求,技术不断创新,坚持行业**地位,主要生产电力继电器及微机综合保护装置,电力智能配电设备,变电站自动化监控系统。产品广泛用于电力、工矿、铁路、建筑等国家重大工程输配变电系统上,产品远销东南亚及中东地区。
公司具备国内**的检测仪器及校验设备,建立了模拟运行老化系统,以精湛的技术严格的生产制造工艺,健全的生产管理体系,精耕细作,精益求精。产品通过国家继电保护及自动化设备质量监督检验中心检测,获得ISO-9001:2000国际质量体系认证。
“科技创新,诚信务实”是公司的经营理念,上继科技以售前技术支持,售后完善服务,在电力系统中树立了良好的声誉,深受各大设计院的认可,赢得输配电成套企业的信赖。上继科技本着对社会,对用户高度的责任感,坚持走专业化道路,继续创新超越,为我国智能电网电力自动化做出更大的贡献!

DH-1重合闸继电器用于输电线路上实现三相一次重合闸的控制回路中 。
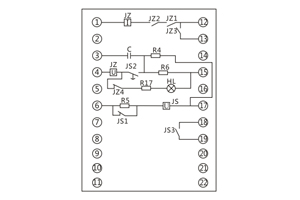
一、DH-1重合闸继电器的结构
该继电器由一台时间继电器(DS-112C型,作为时间元件JS),一台电码继电器(作为中间元件JZ),及电阻,电容元件组成。它们被固定在绝缘的安装板上,安装板又被固定在金属的底座上,装有金属的外壳,它通过螺杆被固定在底座上,在外壳与底座之间辅有隔尘垫,保证密封,在金属外壳上部镶有玻璃,从外面可以检查装置的动作情况。
继电器可以采用板前接线,也可以板后接线。
继电器内部接线图示图1

二、DH-1重合闸继电器的技术数据
1.继电器的额定电压为DC110V, 220V。
2.继电器的额定电流(中间元件电流绕组JZ(I)的额定保持电流)为0.25A; 0.5A; IA; 2A; 4A。
3.在额定电压下,当环境温度为20±5°C,相对湿度不大于70%时,电容器充电到中间元件动作所必需的电压的时间(一次重合闸间隔时间)在15s-25s范围内 。
4.在70%额定电压下,当环境温度为20±5°C,相对湿度不大于70%时,继电器应保证可靠动作,此时电容器充电到使中间元件动作所必需的电压的时间,允许延长到2min。
5.当中间元件电压绕组没有电压,电流绕组流过额定电流时,衔铁保持在吸合位置。
6.继电器在额定电压下中间元件的触点JZl与JZ(I)串联后,应保证能接通额定电流8倍(不大于8A)的电流历时5s,此后在触点上不应有熔化和粘接的痕迹。
7.在额定电压下,中间元件电流绕组JZ(I)的功率消耗应不大于1.35W。
8.时间元件的延时调整范围为0.25s~ 3.5s。
9 时间元件的线圈串联附加电阻后应能长期经受110%额定电压 。
10.介质强度:继电器各电路对外露非带电金属部分之间应耐受电压2kV,交流50Hz历时lmin试验而无击穿或闪络。
三、DH-1重合闸继电器的开孔尺寸


DH-3重合闸装置用于输电线路上实现三相一次重合闸接线中,作为重合闸元件。
一、DH-3重合闸装置的接线图

二、DH-3重合闸装置的技术数据

三、DH-3重合闸装置的开孔尺寸

上海上继科技有限公司(专注电力保护继电器生产厂家)销售热线:021-57233089 QQ:1932551438
{以上内容仅供参考,上海上继科技有限公司有最终解释权}
更多继电器精彩文章——JCDY-2C电压继电器接线图及开孔尺寸