绝缘监视继电器生产厂家推荐-上海上继科技有限公司
发布时间:2019-07-19
上海上继科技有限公司是一家专业从事电力系统继电保护及智能电网电力自动化产品的研发、设计、生产、销售和服务为一体的高科技公司。
公司依托国际大都市上海的优越环境,拥有资深继电保护专家团队,熟悉中国电网实际运行特点,联合国内外**高校不断引进国内外先进技术,积极响应市场的需求,技术不断创新,坚持行业**地位,主要生产电力继电器及微机综合保护装置,电力智能配电设备,变电站自动化监控系统。产品广泛用于电力、工矿、铁路、建筑等国家重大工程输配变电系统上,产品远销东南亚及中东地区。
公司具备国内**的检测仪器及校验设备,建立了模拟运行老化系统,以精湛的技术严格的生产制造工艺,健全的生产管理体系,精耕细作,精益求精。产品通过国家继电保护及自动化设备质量监督检验中心检测,获得ISO-9001:2000国际质量体系认证。
“科技创新,诚信务实”是公司的经营理念,上继科技以售前技术支持,售后完善服务,在电力系统中树立了良好的声誉,深受各大设计院的认可,赢得输配电成套企业的信赖。上继科技本着对社会,对用户高度的责任感,坚持走专业化道路,继续创新超越,为我国智能电网电力自动化做出更大的贡献!

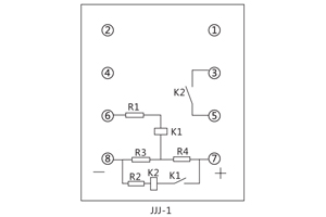
JJJ-1直流绝缘监视继电器用于直流母线电压回路,监视直流母线绝缘水平,当直流母线绝缘下降到一定程度时, 该继电器动作发出警告信号。
一、JJJ-1绝缘监视继电器的开孔尺寸

二、JJJ-1绝缘监视继电器的接线图

三、JJJ-1绝缘监视继电器的参数
直流额定电压: 220V、110V、48V。
继电器的平衡电阻和灵敏元件电阻值

继电器动作值:当母线任何一侧对地绝缘电阻下降到下表规定值时,继电器应可靠动作。

触点容量:当直流电压不大于220V,电流不大于0.2A,直流有感负荷(时间常数为5±0.75ms) ,触点断开容量为20W.无感负荷40W。

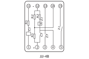
JJJ-4B静态直流绝缘监视继电器是我公司在原先的技术基础上最新研发的新一代高灵敏度产品。该产品完全可以代替原电磁型常规型号无需改变任何线路,与电磁型相比更直观、更可靠接线方式更多种方式远远满足客户需求。
一、JJJ-4B绝缘监视继电器的接线图

二、JJJ-4B绝缘监视继电器的开孔尺寸

三、JJJ-4B绝缘监视继电器的参数
电流和直流电压: (220V、1.5mA);(110V、3.1mA) ; (48V、6.3mA)。
继电器动作值:当母线任何一侧对地绝缘电阻下降到下表值时,继电器应可靠动作并有相应的动作指示。

功率消耗:在直流220V额定电压下继电器动作后的功率消耗不大于5W。
热稳定性(过载能力):继电器可长期承受110%额定电压。
工作寿命:产品可靠工作寿命为104。
介质强度:在基准条件下,产品各导电部分连在一起,对外露非带电金属部分及外壳之间,能承受交流有效值2000V/50HZ的试验电压历时1分钟,无绝缘击穿或闪络现象。
触点性能:在电压不超过250V,电流不超过2A,时间常数为5±0.75ms的直流有感负荷电路中产品输出的断开容量为50W。在电压不大于250V,电流不大于1A的交流电路中功率因数为0.4±0.1)断开容量为250VA。
上海上继科技有限公司(专注电力保护继电器生产厂家)销售热线:021-57233089 QQ:1932551438
{以上内容仅供参考,上海上继科技有限公司有最终解释权}
更多继电器精彩文章——DY-26D电压继电器技术数据及开孔尺寸