时间继电器与闪光继电器的区别和应用-上海上继科技有限公司
发布时间:2019-07-22
SSJ-11B静态时间继电器用于电力系统二次回路继电保护及自动控制回路中,作为延时装量使被控元件得到所需延时。本继电器为集成电路静态型继电器,精度高、功耗小、动作时间准确、整定直观方便、范围宽,工作电源采用开关电源变换,交直流通用,完全可替代电磁型时间继电器。
一、SSJ-11B静态时间继电器的接线图

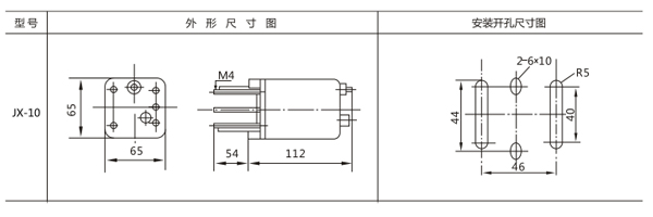
二、SSJ-11B静态时间继电器的开孔尺寸

三、SSJ-11B静态时间继电器的参数
1、额定值及规格检查上表。
2、延时准确度
a、延时整定值的平均误差:在基准条件下,继电器延时整定值平均误差绝对值不大于整定值的0.1%+3ms;平均误差= (5次测量平均值一整定值)/整定值 x100%。
b、延时一致性:在基准条件下,继电器延时一致性不大于整定值的(3-10ms)。
c、 在-10~ 50°C的温度下,任一延时整定值的平均误差(包含一致性)的绝对值不大于整定值的0.1%+5ms。
3、工作电压:动作电压不大于额定电压的70%时,继电器应可靠工作。
4、继电器的返回时间
切断电器电源,出口触点返回至起始位置的时间,对于使用直流电源工作的品种,应不大于25ms。
5、继电器的返回电压
降低继电器电压不小于额定电压的10%时 , 继电器触点应可靠返回 。
6、功率消耗
DC48V,不大于2W;
DC110V或AC100~127V, 不大于4.5W(6.5VA)
DC或AC220V,不大于8.1W(13VA)。
7、热性能要求
本系列继电器可长期通电工作,当环境温度为50°C时,可长期承受1.1倍额定电压值。
8、电源工作特性:电源缓慢升降、突然通/断电或通过料动触点供电 ,继电器能够正常工作,并且无零秒出口及瞬动出口现象。

DX-1闪光继电器用于信号回路。当工作线圈电源接通后,触点可周期性的接通和断开,使受控的灯光信号发出闪光。
一、DX-1闪光继电器的开孔尺寸

二、DX-1闪光继电器的参数
●额定值:DC 220V、110V、48V。
●触点形式:2组动合、1组动断。
●闪光频率:每分钟60±20次。
●动作值:不大于70%额定值。
●功率消耗:不大于3W。
●触点容量:在电压不超过250V,电流不超过5A,时间常数为5±0.75ms的直流有感负荷电路中,产品输出触点的断开容量为 50W。输出触点在上述规定的负荷条件下,产品能可靠动作及返回5×104次。输出触点长期允许接通电流为5A。
●介质强度:产品各导电端子连在一起,对外露的非带电金属部分或外壳之间,能承受2000V(有效值)50Hz的交流电压,历时1分钟 试验,而无绝缘击穿或闪络现象。
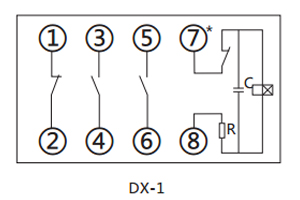
三、DX-1闪光继电器的接线图

公司介绍:上海上继科技有限公司是一家专业从事电力系统继电保护及智能电网电力自动化产品的研发、设计、生产、销售和服务为一体的高科技公司。拥有资深继电保护专家团队和国内**的检测仪器及校验设备。同时还引用国内外先进技术,来进行技术创新。本公司的产品广泛用于电力、工矿、铁路、建筑等国家重大工程输配变电系统上,产品远销东南亚及中东地区。产品通过国家继电保护及自动化设备质量监督检验中心检测,获得ISO-9001:2000国际质量体系认证。“科技创新,诚信务实”是公司的经营理念,本公司以高超的技术支持和对用户高度负责的售后服务赢得了输配电成套企业的信赖,且树立了良好的信誉。
上海上继科技有限公司(专注电力保护继电器生产厂家)销售热线:021-57233089 QQ:1932551438
{以上内容仅供参考,上海上继科技有限公司有最终解释权}
更多继电器精彩文章——JY-1C/1电压继电器安装尺寸及接线图