继电保护生产厂家介绍-上海上继科技有限公司
发布时间:2019-07-22公司介绍:
上海上继科技有限公司 是一家专业从事电力系统继电保护及智能电网电力自动化产品的研发、设计、生产、销售和服务为一体的高科技公司。公司依托国际大都市上海的优越环境,拥有资深继电保护专家团队,熟悉中国电网实际运行特点,联合国内外**高校不断引进国内外先进技术,积极响应市场的需求,技术不断创新,坚持行业**地位,主要生产电力继电器及微机综合保护装置,电力智能配电设备,变电站自动化监控系统。产品广泛用于电力、工矿、铁路、建筑等国家重大工程输配变电系统上,产品远销东南亚及中东地区。
公司具备国内**的检测仪器及校验设备,建立了模拟运行老化系统,以精湛的技术严格的生产制造工艺,健全的生产管理体系,精耕细作,精益求精。产品通过国家继电保护及自动化设备质量监督检验中心检测,获得ISO-9001:2000国际质量体系认证。
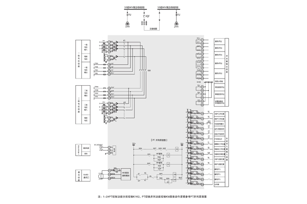
SJP-600E微机综合保护装置产品介绍
一、SJP-600E微机综合保护装置 概述
1.1 概述:

1.2 应用范围:
■ 电压互感器保护及测控
1.3 特点
■集保护、测量、监视、控制、人机接口、通信等多种功能于一体;专门针对开关柜进行“单元化”设计,一台装置即可完成开关柜内电压互感器的自动化功能,简化了开关柜二次设计和施工,代替了各种常规继电器和测量仪表,节省了大量的安装空间和控制电缆。
■采用32位数字信号处理器(ARM) ,具有先进内核结构、高速运算能力和实时信号处理等优良特性,过去由于CPU性能等因素而无
法实现的保护算法可轻松实现。
■支持常规的RS485总线通信,- 一条总线最多允许挂接110个设备。
■全封闭金属机箱,防水,防尘,并具有很强的抗静电、抗电磁干扰和抗机械振动能力;既可分布式就地安装在开关柜上,也可集中
组屏安装;装置结构合理,便于安装、配线和调试。
■表面贴工艺,重要器件(如电源模块、互感器、继电器、液晶显示屏、接线端子等)均采用国内外知名企业的成熟产品,平均无故
障时间达1000小时。
■完善的自检能力,发现装置异常能自动告警;具有自保护能力,有效防止接线错误或非正常运行引起的装置永久性损坏;免维护设
计,无需在现场调整采样精度,测量精度不会因为环境改变和长期运行引起误差增大。
■国际通用输入电源模块,兼容85 ~ 264V交流或直流工作电源,更在电源跌落和电压突变方面有出色表现。
■开关量输入支持告警,用于瓦斯、温度等重要保护。采用可设置变位确认时间窗技术,有效消除开关接点抖动和电磁干扰,保证遥
信正确率达100%。
■人机接口符合人机工程设计要求,带背光大屏幕液晶,菜单化设计,可中英文显示,合理化屏幕保护控制。测量数据、开关量状态
形事件记录保护定值、系统参数等。
■具有事件记录功能,可记录与电力系统安全运行相关的所有事件,时间分辨率小于1ms,可在线记录事件90条,掉电不丢失,便于分析故障原因和诊断设备缺陷。
■具有多套保护定值区,特别适合于无人值班和电气运行方式经常变化的场合。
二、SJP-600E微机综合保护装置参数



三、SJP-600E微机综合保护装置
外形及开孔尺寸

四、SJP-600E微机综合保护装置
产品实拍




上海上继科技有限公司(专注微机综合继电器生产厂家)销售热线:021-57233089 QQ:1932551438
(以上内容仅供参考,上海上继科技有限公司有最终解释权}
更多继电器精彩文章→JZ-Y-15静态中间继电器命名含义及主要性能