微机综合保护装置-上海上继科技有限公司
发布时间:2019-07-23公司介绍:
上海上继科技有限公司 是一家专业从事电力系统继电保护及智能电网电力自动化产品的研发、设计、生产、销售和服务为一体的高科技公司。公司依托国际大都市上海的优越环境,拥有资深继电保护专家团队,熟悉中国电网实际运行特点,联合国内外**高校不断引进国内外先进技术,积极响应市场的需求,技术不断创新,坚持行业**地位,主要生产电力继电器及微机综合保护装置,电力智能配电设备,变电站自动化监控系统。产品广泛用于电力、工矿、铁路、建筑等国家重大工程输配变电系统上,产品远销东南亚及中东地区。
公司具备国内**的检测仪器及校验设备,建立了模拟运行老化系统,以精湛的技术严格的生产制造工艺,健全的生产管理体系,精耕细作,精益求精。产品通过国家继电保护及自动化设备质量监督检验中心检测,获得ISO-9001:2000国际质量体系认证。
SJP-500B微机综合保护装置产品介绍
参数

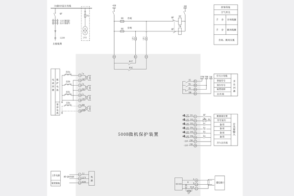
二、SJP-500B微机综合保护装置
应用范围
SJP : 500系列微机保护装置是我公司推出的集简易测量、控制、通讯于一体的一 种经济 型保护装置:针对配网终端配电室量身定做,以三段式电流保护为核心,配备电网参数、监视及采集功能,可省掉传统的电流表、电压表、功率表、频率表等,并可通过通讯I将测量数据及保护信息远传上位机,真正实现配网自动化;装置根据配网供电的特性,在装置内集成了多种保护功能,本装置**的优点尺寸小,不仅可安装于普通环网柜也可方便安装在各种充气柜,起到二次回路保护。大大提高了装置的使用灵活性为用户节约了成本,本装置尤其适用于I0KV以下电压等级的配网供电终端。
三、SJP-500B微机综合保护装置
产品实拍



四、SJP-500B微机综合保护装置
外形及开孔尺寸


五、SJP-500B微机综合保护装置
保护功能及配置

上海上继科技有限公司(专注微机保护装置生产厂家)销售热线:021-57233089 QQ:1932551438
(以上内容仅供参考,上海上继科技有限公司有最终解释权}
更多继电器精彩文章→SJ23-32时间继电器技术参数及结构简介