中间继电器与闪光继电器的区别和应用-上海上继科技有限公司
发布时间:2019-07-23
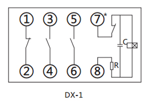
DX-1闪光继电器用于信号回路。当工作线圈电源接通后,触点可周期性的接通和断开,使受控的灯光信号发出闪光。
一、DX-1闪光继电器的接线图

二、DX-1闪光继电器的开孔尺寸

三、DX-1闪光继电器的参数
●额定值:DC 220V、110V、48V。
●触点形式:2组动合、1组动断。
●闪光频率:每分钟60±20次。
●动作值:不大于70%额定值。
●功率消耗:不大于3W。
●触点容量:在电压不超过250V,电流不超过5A,时间常数为5±0.75ms的直流有感负荷电路中,产品输出触点的断开容量为 50W。输出触点在上述规定的负荷条件下,产品能可靠动作及返回5×104次。输出触点长期允许接通电流为5A。
●介质强度:产品各导电端子连在一起,对外露的非带电金属部分或外壳之间,能承受2000V(有效值)50Hz的交流电压,历时1分钟 试验,而无绝缘击穿或闪络现象。

JZJ-404静态中间继电器采用集成电路原理构成,具有良好的抗振动,适用于各种电力继电保护和自动控制装置中,以增加保护和控制回路的触点容量和触点数量。
一、JZJ-404中间继电器的接线图

二、JZJ-404中间继电器的参数
1 环境基准条件
环境温度: 20°C±2°C
相对湿度:45%~74%
大气压力:80Kpa~106Kpa
2 正常使用条件
环境温度:-25°C~+40°C
环境相对湿度:不大于90%
大气压力:80Kpa~110Kpa
存储和运输过程中的极限温度: -25°C~75°C
使用地点的海拔高度:不高于2500米
使用环境的周围介质无爆炸危险品;不含有腐蚀性气体;所含导电尘埃的浓度不应使绝缘水平降低到允许值以下。
3 继电器额定值 额定电压值:48V, 110V, 220V, AC, DC, 380VAC。
4 触点容量 在电压不大于250V,功率因数cosΦ为1.0的交流电路中,可分断10A。
直流:普通型:接通DC220V, 10A;断开DC220V,τ=5mS, 50W负载。
B型:接通DC220V, 10A;断开DC250V, τ=5mS, 500W大容量角空点,极限容量为1500W。
5 保持值 0.7 ~ 1.2倍额定电压 JZ-系列快速中间继电器动作时间和返回时间不大于15mS。
6 功耗 在额定电压下不大于6W。
7 绝线电阻 用1000V揺表测量各引出端子对外壳锁紧螺钉之间绝缘电阻不小于10MΩ。
8 绝缘电压 各引出端子对外壳锁紧螺钉能承受工频2000V,同组触点之间能承受工频1000V,历时一份钟试验,无击穿。
9 电寿命 A型: DC250V回路,切断电流,τ=5mS, 50W, 10⁴次以上;
B型: DC250V回路,切断电流τ=5mS, 500W, 104次以上; 1500W, 103次。
10 机械寿命 触点无负荷300万次以上。
公司介绍:上海上继科技有限公司是一家专业从事电力系统继电保护及智能电网电力自动化产品的研发、设计、生产、销售和服务为一体的高科技公司。拥有资深继电保护专家团队和国内**的检测仪器及校验设备。同时还引用国内外先进技术,来进行技术创新。本公司的产品广泛用于电力、工矿、铁路、建筑等国家重大工程输配变电系统上,产品远销东南亚及中东地区。产品通过国家继电保护及自动化设备质量监督检验中心检测,获得ISO-9001:2000国际质量体系认证。“科技创新,诚信务实”是公司的经营理念,本公司以高超的技术支持和对用户高度负责的售后服务赢得了输配电成套企业的信赖,且树立了良好的信誉。
上海上继科技有限公司(专注电力保护继电器生产厂家)销售热线:021-57233089 QQ:1932551438
{以上内容仅供参考,上海上继科技有限公司有最终解释权}
更多继电器精彩文章——JY-DA/2电压继电器原理及接线图