中间继电器与差动继电器的区别和应用-上海上继科技有限公司
发布时间:2019-07-23
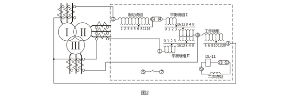
BCH-1差动继电器具有一个制动绕组,能对两绕组及三绕组电力变压器进行单相差动保护。
一、BCH-1差动继电器的开孔尺寸

二、BCH-1差动继电器的接线图

三、BCH-1差动继电器的参数
1.额定定电流5A,额定频率50Hz。
2 无制动时继电器的起始动作安匝AWo=60±4。
3.当用于保护三绕组电力变压器时,其动作电流可在3A至12A的范围内进行整定(AWo=60) ,对于动作的最小整定值,其**平衡系数接近于2 。
当用于保护两绕组电力变压器时,其动作电流可以在1.55A至12A的范围内进行整定。
4.由动作电流与制动电流的比值所决定的制动系数Kz可以在广泛的范围内变化,图3的制动特性AWp=f(AWz)是其极限范围,它与工作电流济口制动电流间的相位角有关,但无论在任何角下都不应越出曲线的范围,,5.可靠系数(当一次动作电流等于5IDz的继电器正弦动作电流与当一次动作电流等于5IDZ的正弦动作电流的比值)不小于1.35。

6. 3倍动作电流时差动继电器的动作时间不大于0.035s。
7.继电器具有一个动合触点,在电感性负荷的直流电路中, (其时间常数不大于5x10's) ,且电压不大于220V,电流不大于2A时,触点的断开容量50W。
8.在正常工作状态下当电流为5A且变流器的制动绕组平衡绕组在全部匝数投入的情况下继电器的单相功率消耗不大于8.5VA。
9.变流器的工作、平衡和制动绕组可长期通过电流10A。
10.介质强度 继电器的电路对外露非带电金属部分之间应能耐受2kV, 50Hz的交流电压历时1min而无击穿或闪络现象。
11.继电器的绕组数据如表1所示。


JZJ-404静态中间继电器采用集成电路原理构成,具有良好的抗振动,适用于各种电力继电保护和自动控制装置中,以增加保护和控制回路的触点容量和触点数量。
一、JZJ-404中间继电器的参数
1 环境基准条件
环境温度: 20°C±2°C
相对湿度:45%~74%
大气压力:80Kpa~106Kpa
2 正常使用条件
环境温度:-25°C~+40°C
环境相对湿度:不大于90%
大气压力:80Kpa~110Kpa
存储和运输过程中的极限温度: -25°C~75°C
使用地点的海拔高度:不高于2500米
使用环境的周围介质无爆炸危险品;不含有腐蚀性气体;所含导电尘埃的浓度不应使绝缘水平降低到允许值以下。
3 继电器额定值 额定电压值:48V, 110V, 220V, AC, DC, 380VAC。
4 触点容量 在电压不大于250V,功率因数cosΦ为1.0的交流电路中,可分断10A。
直流:普通型:接通DC220V, 10A;断开DC220V,τ=5mS, 50W负载。
B型:接通DC220V, 10A;断开DC250V, τ=5mS, 500W大容量角空点,极限容量为1500W。
5 保持值 0.7 ~ 1.2倍额定电压 JZ-系列快速中间继电器动作时间和返回时间不大于15mS。
6 功耗 在额定电压下不大于6W。
7 绝线电阻 用1000V揺表测量各引出端子对外壳锁紧螺钉之间绝缘电阻不小于10MΩ。
8 绝缘电压 各引出端子对外壳锁紧螺钉能承受工频2000V,同组触点之间能承受工频1000V,历时一份钟试验,无击穿。
9 电寿命 A型: DC250V回路,切断电流,τ=5mS, 50W, 10⁴次以上;
B型: DC250V回路,切断电流τ=5mS, 500W, 104次以上; 1500W, 103次。
10 机械寿命 触点无负荷300万次以上。
二、JZJ-404中间继电器的接线图

三、JZJ-404中间继电器的开孔尺寸

公司介绍:上海上继科技有限公司是一家专业从事电力系统继电保护及智能电网电力自动化产品的研发、设计、生产、销售和服务为一体的高科技公司。拥有资深继电保护专家团队和国内**的检测仪器及校验设备。同时还引用国内外先进技术,来进行技术创新。本公司的产品广泛用于电力、工矿、铁路、建筑等国家重大工程输配变电系统上,产品远销东南亚及中东地区。产品通过国家继电保护及自动化设备质量监督检验中心检测,获得ISO-9001:2000国际质量体系认证。“科技创新,诚信务实”是公司的经营理念,本公司以高超的技术支持和对用户高度负责的售后服务赢得了输配电成套企业的信赖,且树立了良好的信誉。
上海上继科技有限公司(专注电力保护继电器生产厂家)销售热线:021-57233089 QQ:1932551438
{以上内容仅供参考,上海上继科技有限公司有最终解释权}
更多继电器精彩文章——JY-DA/3电压继电器原理及开孔尺寸