电流继电器与闪光继电器的区别和应用-上海上继科技有限公司
发布时间:2019-07-24
JL-11静态电流继电器(以下简称本继电器)用于发电机、变压器和輸电线的过负新口短路保护装置中作为启动元件。本继电器为集成电路静态型继电器,精度高、功耗小、动作时间快,返回系数高、 整定直观方便、范围宽,提供直流辅助电源后完全可替代电磁型电流继电器,辅助电源采用开关电源变换,交直流通用,工作范围大,从100-300V均能可靠工作。
一、JL-11电流继电器的参数
1、功率消耗
a、交流回路功耗:小于0.5VA(交流额定值5A时)
b、直流回路功耗:见表2

2、整定误差
a、在整定值范围内,整定平均误差的绝对值不大于3% ;平均误差=( 5次测量平均信一整定值)整定值x100%。
b、在基准条件下,同一整定值上测量的5次动作值的**信和最小值应不大于4%。
c、在一10°C~50°C的温度下,任一整定点误差的绝对信应不大于整定值的5%。
d、在輔助电压80~ 110%变化范围内, 任一整定值整定误差的绝对值应不大于4%。
3、动作时间
1. 1倍整定信的动作时间不大于30 m s ; 2信整定值的动作时间不大于20 m s。
4、返回系数: 0.90~0.95。
5、返回时间:不大于27ms。
二、JL-11电流继电器的开孔尺寸

三、JL-11电流继电器的接线图


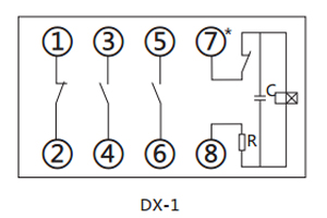
DX-1闪光继电器用于信号回路。当工作线圈电源接通后,触点可周期性的接通和断开,使受控的灯光信号发出闪光。
一、DX-1闪光继电器的接线图

二、DX-1闪光继电器的开孔尺寸

三、DX-1闪光继电器的参数
●额定值:DC 220V、110V、48V。
●触点形式:2组动合、1组动断。
●闪光频率:每分钟60±20次。
●动作值:不大于70%额定值。
●功率消耗:不大于3W。
●触点容量:在电压不超过250V,电流不超过5A,时间常数为5±0.75ms的直流有感负荷电路中,产品输出触点的断开容量为 50W。输出触点在上述规定的负荷条件下,产品能可靠动作及返回5×104次。输出触点长期允许接通电流为5A。
●介质强度:产品各导电端子连在一起,对外露的非带电金属部分或外壳之间,能承受2000V(有效值)50Hz的交流电压,历时1分钟 试验,而无绝缘击穿或闪络现象。
公司介绍:上海上继科技有限公司是一家专业从事电力系统继电保护及智能电网电力自动化产品的研发、设计、生产、销售和服务为一体的高科技公司。拥有资深继电保护专家团队和国内**的检测仪器及校验设备。同时还引用国内外先进技术,来进行技术创新。本公司的产品广泛用于电力、工矿、铁路、建筑等国家重大工程输配变电系统上,产品远销东南亚及中东地区。产品通过国家继电保护及自动化设备质量监督检验中心检测,获得ISO-9001:2000国际质量体系认证。“科技创新,诚信务实”是公司的经营理念,本公司以高超的技术支持和对用户高度负责的售后服务赢得了输配电成套企业的信赖,且树立了良好的信誉。
上海上继科技有限公司(专注电力保护继电器生产厂家)销售热线:021-57233089 QQ:1932551438
{以上内容仅供参考,上海上继科技有限公司有最终解释权}
更多继电器精彩文章——JY-A/3DK/220电压继电器参数及接线图