电流继电器与差动继电器的区别和应用-上海上继科技有限公司
发布时间:2019-07-24
BCH-1差动继电器具有一个制动绕组,能对两绕组及三绕组电力变压器进行单相差动保护。
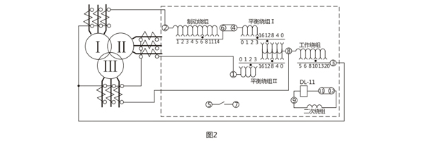
一、BCH-1差动继电器的接线图

二、BCH-1差动继电器的开孔尺寸

三、BCH-1差动继电器的参数
1.额定定电流5A,额定频率50Hz。
2 无制动时继电器的起始动作安匝AWo=60±4。
3.当用于保护三绕组电力变压器时,其动作电流可在3A至12A的范围内进行整定(AWo=60) ,对于动作的最小整定值,其**平衡系数接近于2 。
当用于保护两绕组电力变压器时,其动作电流可以在1.55A至12A的范围内进行整定。
4.由动作电流与制动电流的比值所决定的制动系数Kz可以在广泛的范围内变化,图3的制动特性AWp=f(AWz)是其极限范围,它与工作电流济口制动电流间的相位角有关,但无论在任何角下都不应越出曲线的范围,,5.可靠系数(当一次动作电流等于5IDz的继电器正弦动作电流与当一次动作电流等于5IDZ的正弦动作电流的比值)不小于1.35。

6. 3倍动作电流时差动继电器的动作时间不大于0.035s。
7.继电器具有一个动合触点,在电感性负荷的直流电路中, (其时间常数不大于5x10's) ,且电压不大于220V,电流不大于2A时,触点的断开容量50W。
8.在正常工作状态下当电流为5A且变流器的制动绕组平衡绕组在全部匝数投入的情况下继电器的单相功率消耗不大于8.5VA。
9.变流器的工作、平衡和制动绕组可长期通过电流10A。
10.介质强度 继电器的电路对外露非带电金属部分之间应能耐受2kV, 50Hz的交流电压历时1min而无击穿或闪络现象。
11.继电器的绕组数据如表1所示。


JL-11静态电流继电器(以下简称本继电器)用于发电机、变压器和輸电线的过负新口短路保护装置中作为启动元件。本继电器为集成电路静态型继电器,精度高、功耗小、动作时间快,返回系数高、 整定直观方便、范围宽,提供直流辅助电源后完全可替代电磁型电流继电器,辅助电源采用开关电源变换,交直流通用,工作范围大,从100-300V均能可靠工作。
一、JL-11电流继电器的参数
1、功率消耗
a、交流回路功耗:小于0.5VA(交流额定值5A时)
b、直流回路功耗:见表2

2、整定误差
a、在整定值范围内,整定平均误差的绝对值不大于3% ;平均误差=( 5次测量平均信一整定值)整定值x100%。
b、在基准条件下,同一整定值上测量的5次动作值的**信和最小值应不大于4%。
c、在一10°C~50°C的温度下,任一整定点误差的绝对信应不大于整定值的5%。
d、在輔助电压80~ 110%变化范围内, 任一整定值整定误差的绝对值应不大于4%。
3、动作时间
1. 1倍整定信的动作时间不大于30 m s ; 2信整定值的动作时间不大于20 m s。
4、返回系数: 0.90~0.95。
5、返回时间:不大于27ms。
二、JL-11电流继电器的开孔尺寸

三、JL-11电流继电器的接线图

公司介绍:上海上继科技有限公司是一家专业从事电力系统继电保护及智能电网电力自动化产品的研发、设计、生产、销售和服务为一体的高科技公司。拥有资深继电保护专家团队和国内**的检测仪器及校验设备。同时还引用国内外先进技术,来进行技术创新。本公司的产品广泛用于电力、工矿、铁路、建筑等国家重大工程输配变电系统上,产品远销东南亚及中东地区。产品通过国家继电保护及自动化设备质量监督检验中心检测,获得ISO-9001:2000国际质量体系认证。“科技创新,诚信务实”是公司的经营理念,本公司以高超的技术支持和对用户高度负责的售后服务赢得了输配电成套企业的信赖,且树立了良好的信誉。
上海上继科技有限公司(专注电力保护继电器生产厂家)销售热线:021-57233089 QQ:1932551438
{以上内容仅供参考,上海上继科技有限公司有最终解释权}
更多继电器精彩文章——JY-A/1DK/120电压继电器技术数据及安装尺寸