DS-20系列时间继电器-上海上继科技有限公司
发布时间:2019-04-01DS-20系列时间继电器

一、应用范围
DS-20系列时间继电器作为辅助元件用于各种保护和自动控制线路中,使被控元件的动作得到可调节的延时。继电器DS-21~24是短时带电的时间继电器;DS-21/C~20/C是长期带电的时间继电器(带外附电阻);DS25~28是交流时间继电器。该继电器具有一付瞬动转换触点,一付滑动延时主触点和一付终止延时主触点。
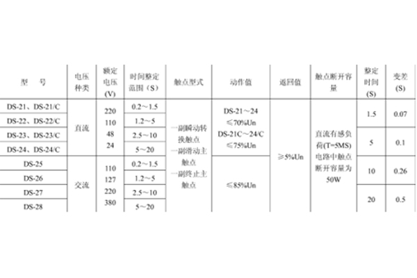
二、主要技术数据

注:1、型号后带“C”者线圈可以长期耐受110%额定电压,其他则耐受110%额定电压1.5—2分钟,温升仍在允许范围内。
动作时间变差系指在同一整定点上,测量10次**与最小动作时间之差,继电器主触点延时整定值误差应符合下表规定:

三、正常使用条件
1、海拔高度不超过2000米;
2、周围**变化范围为-25℃到+40℃;
3、最湿度的月平均**相对湿度为90%,同时该月的月平均**温度为25℃;
4、与垂直面的安装倾斜度不超过5°;
5、无显著摇摆和冲击振的地方;
6、在无爆炸危险的介质中,且无腐蚀金属和破坏绝缘的气体与尘埃;
7、在没有雨雪侵袭的地方;
四、内部接线及外引接线图(背视图)

五、外形及开孔尺寸
DS-20采用JK-1壳体

上海上继科技有限公司(专注电力保护继电器生产厂家)销售热线:021-57233089 QQ:1932551438
{以上内容仅供参考,上海上继科技有限公司有最终解释权}
更多继电器精彩文章——浅谈继电器的最新应用领域