DX-10C闪光继电器开孔尺寸及厂家介绍-上海上继科技有限公司
发布时间:2019-07-06
一、DX-10C闪光信号继电器的厂家介绍

上海上继科技有限公司是一家专业从事电力系统继电保护及智能电网电力自动化产品的研发、设计、生产、销售和服务为一体的高科技公司。拥有资深继电保护专家团队和国内**的检测仪器及校验设备。同时还引用国内外先进技术,来进行技术创新。本公司的产品广泛用于电力、工矿、铁路、建筑等国家重大工程输配变电系统上,产品远销东南亚及中东地区。产品通过国家继电保护及自动化设备质量监督检验中心检测,获得ISO-9001:2000国际质量体系认证。“科技创新,诚信务实”是公司的经营理念,本公司以高超的技术支持和对用户高度负责的售后服务赢得了输配电成套企业的信赖,且树立了良好的信誉。
二、DX-10C闪光信号继电器的参数
●继电器额定电压:直流220V或110V(交流220V或110V)。
●继电器闪光频率:每分钟100±30次可整定。
●继电器触点负载能力:220VAC、3A继电器最小起动电流10mA。
●介质强度:产品各导电端子连在一起,对外露的非带电金属部分或外壳之间,能承受2000V(有效值)50Hz交流电压历时1分钟试 验而无绝缘击穿或闪络现象。
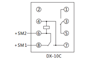
三、DX-10C闪光信号继电器的接线图

四、DX-10C闪光信号继电器的开孔尺寸
采用CJ-1壳体,如图所示

五、DX-10C闪光信号继电器的应用范围
DX-10C闪光继电器用于电力系统断路器的位置信号灯不对应闪光,该继电器是为了适应当前推广使用发光二极管节能指示灯而设计。但也可通用于原有的各类白炽指示灯,是DX-1、DX-3型闪光继电器的更新换代产品。由于该继电器的适应能力强,起动电流小(10mA)特点,故也是其它各种报警电路中理想的报警继电器。
上海上继科技有限公司(专注电力保护继电器生产厂家)销售热线:021-57233089 QQ:1932551438
{以上内容仅供参考,上海上继科技有限公司有最终解释权}
更多继电器精彩文章——BT-1B/200同步检查继电器参数及接线图