DS-31C/2时间继电器外形开孔尺寸及维护-上海上继科技有限公司
发布时间:2019-07-16
公司介绍:上海上继科技有限公司是一家专业从事电力系统继电保护及智能电网电力自动化产品的研发、设计、生产、销售和服务为一体的高科技公司。拥有资深继电保护专家团队和国内**的检测仪器及校验设备。同时还引用国内外先进技术,来进行技术创新。本公司的产品广泛用于电力、工矿、铁路、建筑等国家重大工程输配变电系统上,产品远销东南亚及中东地区。产品通过国家继电保护及自动化设备质量监督检验中心检测,获得ISO-9001:2000国际质量体系认证。“科技创新,诚信务实”是公司的经营理念,本公司以高超的技术支持和对用户高度负责的售后服务赢得了输配电成套企业的信赖,且树立了良好的信誉。
一、DS-31C/2时间继电器外形及开孔尺寸

二、DS-31C/2时间继电器接线图

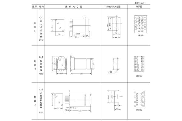
三、DS-31C/2时间继电器外形及开孔尺寸/2时间继电器技术数据
1.继电器型号说明:
例: DS-31C/2XA11K
其中: DS表示电磁式时间继电器。
31-38为设计序号,并用其第二位数字同时表示延时范围,及电源种类(1-4为四种延时范围同时表示直流电源, 5-8表示与1-4相同的延时范围,但为交流电源)。
/2表示有滑动延时触点。
/X表示有拖针。(见表1)

四、DS-31C/2时间继电器用途
DS-31C/2时间继电器作为辅助元件用于各种保护及自动装置中,使被控元件达到所需要的延时,在保护装置中用以实现主保护与后备保护的选择性配合。
五、DS-31C/2时间继电器使用和维护
1.使用者应注意继电器额定工作方式,若将短时工作的继电器用于线圈回路长期带电的场合,则继电器线圈必过热而损坏。长期工作继电器有外附电阻,在使用时应按附图中Rf的位置接入。
2.继电器应装在与水平面垂直的屏板上,并且在投入运行前应使继电器通电动作。以免由于各运动部位不能复归至原位,而引起延时的误差。
3.继电器在维修时,其钟表机构部分各另件应使用航空汽油清洗,之后在各可动部位(滑动接触部位)点以活量4#航空仪表油,在由电磁直接帯动的凸轮与扇形齿板间涂以低温脂。电磁部分,动铁心及线圈管中应擦试清洁。
上海上继科技有限公司(专注电力保护继电器生产厂家)销售热线:021-57233089 QQ:1932551438
(以上内容仅供参考,上海上继科技有限公司有最终解释权}
更多继电器精彩文章→