JY-B/4DK电压继电器原理及安装尺寸-上海上继科技有限公司
发布时间:2019-07-24
一、JY-B/4DK无辅源电压继电器的概述
电压继电器是输入量、特性量为电压的量度继电器,分为过电压继电器和欠电压继电器。前者由于电压值增加达到整定值而动作,然后处于动后状态;后者由于电压值减少达到整定值而动作,然后处于释放状态。
二、JY-B/4DK无辅源电压继电器的原理
被测电压经过隔离取样后,得到与被测电压成比例的取样电压Ui、Ui经拨盘整定,再进行整流滤波,得到直流Uo,逻辑回路将Uo 与门坎电压Uz进行比较。若Uo<Uz,则出口继电器不动作;若Uo>Uz,则出口继电器动作。欠电压在欠电压状态下动作指示灯发光 过电压在过电压状态下动作指示灯发光。

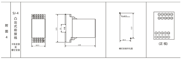
三、JY-B/4DK无辅源电压继电器的结构
电压继电器分为凸出式固定结构,凸出式插拔式结构,嵌入式插拔结构等,并有透明的塑料外罩,可以观察继电器的整定值和规格等。
电压继电器磁系统有两个线圈,线圈出头接在底座端子上,用户可以根据需要串并联,因而可使继电器整定范围变化一倍。
电压继电器铭牌的刻度值及额定值对于电流继电器是线圈串联时的电流(以A为单位),对于电压继电器是线圈并联时的电压(以V为单位)。转动刻度盘上的指针,以改变游丝的反作用力矩从而可以改变继电器的动作值。
四、JY-B/4DK无辅源电压继电器的整定方法
本继电器采用数字拨盘整定,三位数字从左到右分别为百位、十位、个位,三位数字即为整定的电压。列如:三位数字是220,即 为220V。由于本系列继电器采用电源电激式,只要电压符合即可,被测电压无须考虑串、并接法,只要按接线图接入即可。
五、JY-B/4DK无辅源电压继电器的安装尺寸

公司介绍:
上海上继科技有限公司是一家专业从事电力系统继电保护及智能电网电力自动化产品的研发、设计、生产、销售和服务为一体的高科技公司。
公司依托国际大都市上海的优越环境,拥有资深继电保护专家团队,熟悉中国电网实际运行特点,联合国内外**高校不断引进国内外先进技术,积极响应市场的需求,技术不断创新,坚持行业**地位,主要生产电力继电器及微机综合保护装置,电力智能配电设备,变电站自动化监控系统。产品广泛用于电力、工矿、铁路、建筑等国家重大工程输配变电系统上,产品远销东南亚及中东地区。
公司具备国内**的检测仪器及校验设备,建立了模拟运行老化系统,以精湛的技术严格的生产制造工艺,健全的生产管理体系,精耕细作,精益求精。产品通过国家继电保护及自动化设备质量监督检验中心检测,获得ISO-9001:2000国际质量体系认证。
“科技创新,诚信务实”是公司的经营理念,上继科技以售前技术支持,售后完善服务,在电力系统中树立了良好的声誉,深受各大设计院的认可,赢得输配电成套企业的信赖。上继科技本着对社会,对用户高度的责任感,坚持走专业化道路,继续创新超越,为我国智能电网电力自动化做出更大的贡献!
上海上继科技有限公司(专注电力保护继电器生产厂家)销售热线:021-57233089 QQ:1932551438
{以上内容仅供参考,上海上继科技有限公司有最终解释权}
更多继电器精彩文章——JY-ZB电压继电器参数及开孔尺寸