JY-B/4/210电压继电器安装尺寸及原理-上海上继科技有限公司
发布时间:2019-07-25
一、JY-B/4/210电压继电器的介绍
电压继电器是一种电子控制器件,它具有控制系统(又称输入回路)和被控制系统(又称输出回路),通常应用于自动控制电路中,它实际上是用较小的电流去控制较大电流的一种“自动开关”。故在电路中起着自动调节、安全保护、转换电路等作用。主要用于发电机、变压器和输电线的继电保护装置中,作为过电压保护或低电压闭锁的启动原件。
二、JY-B/4/210电压继电器的接线图

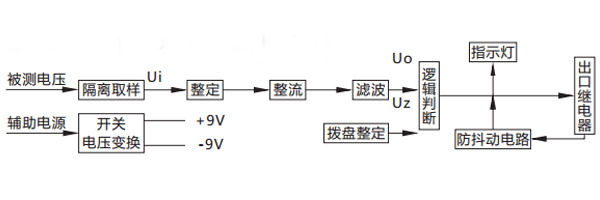
三、JY-B/4/210电压继电器的原理
被测电压经过电阻分压取样,得到与被测电压成比例的取样电压Ui , Ui经拨盘整定,再进行整流滤波,得到直流Uo ,逻辑回将Uo与门坎电压Uz进行比较。对欠电压继电器,若Uo> Uz ,则出口继电器不动作;若Uo

四、JY-B/4/210电压继电器的整定误差
a、在整定范围内,整定平均误差的绝对值不大于3%,平均误差=(5次测量平均值-整定值)/整定值×100%。
b、在基准条件下,同一整定值上测量的5次动作值的**值和最小值应不大于的4%。
c、在-10℃~50℃的温度下,任一整定点误差的绝对值应不大于整定值的4%。
d、在辅助电压80~110%变化范围内,任一整定值整定误差的绝对值应不大于4%。
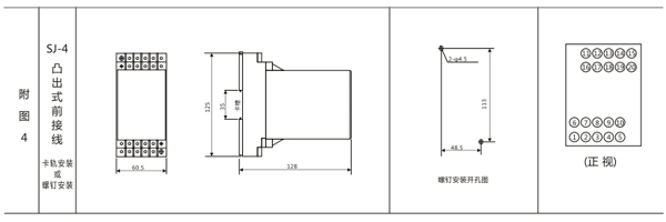
五、JY-B/4/210电压继电器的安装尺寸

公司介绍:上海上继科技有限公司是一家专业从事电力系统继电保护及智能电网电力自动化产品的研发、设计、生产、销售和服务为一体的高科技公司。拥有资深继电保护专家团队和国内**的检测仪器及校验设备。同时还引用国内外先进技术,来进行技术创新。本公司的产品广泛用于电力、工矿、铁路、建筑等国家重大工程输配变电系统上,产品远销东南亚及中东地区。产品通过国家继电保护及自动化设备质量监督检验中心检测,获得ISO-9001:2000国际质量体系认证。“科技创新,诚信务实”是公司的经营理念,本公司以高超的技术支持和对用户高度负责的售后服务赢得了输配电成套企业的信赖,且树立了良好的信誉。
上海上继科技有限公司(专注电力保护继电器生产厂家)销售热线:021-57233089 QQ:1932551438
{以上内容仅供参考,上海上继科技有限公司有最终解释权}
更多继电器精彩文章——JY-DA/1电压继电器原理及参数