JY-AS/4/210电压继电器接线图及开孔尺寸-上海上继科技有限公司
发布时间:2019-07-25
一、JY-AS/4/210电压继电器的触点容量
继电器输出电路的触点能断开电压不大于250V,时间常数为5±0.75mS的直流有感负荷电路为50W,电压不大于250V的交流电路(功率因数COSΦ为0.4±0.1)为250VA。继电器触点可长期接通5A。
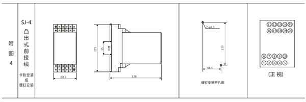
二、JY-AS/4/210电压继电器的接线图

三、JY-AS/4/210电压继电器的整定误差
a、在整定范围内,整定平均误差的绝对值不大于3%,平均误差=(5次测量平均值-整定值)/整定值×100%。
b、在基准条件下,同一整定值上测量的5次动作值的**值和最小值应不大于的4%。
c、在-10℃~50℃的温度下,任一整定点误差的绝对值应不大于整定值的4%。
d、在辅助电压80~110%变化范围内,任一整定值整定误差的绝对值应不大于4%。
四、JY-AS/4/210电压继电器的绝缘性能
a. 绝缘电阻不小于300MΩ。
b. 介质强度
继电器各导电电路连在一起与外露的非带电金属部分及外壳之间,能承受2kV(有效值)、50Hz的交流电压历时1min的试验,而无绝缘击穿或闪络现象。
五、JY-AS/4/210电压继电器的开孔尺寸

公司介绍:上海上继科技有限公司是一家专业从事电力系统继电保护及智能电网电力自动化产品的研发、设计、生产、销售和服务为一体的高科技公司。拥有资深继电保护专家团队和国内**的检测仪器及校验设备。同时还引用国内外先进技术,来进行技术创新。本公司的产品广泛用于电力、工矿、铁路、建筑等国家重大工程输配变电系统上,产品远销东南亚及中东地区。产品通过国家继电保护及自动化设备质量监督检验中心检测,获得ISO-9001:2000国际质量体系认证。“科技创新,诚信务实”是公司的经营理念,本公司以高超的技术支持和对用户高度负责的售后服务赢得了输配电成套企业的信赖,且树立了良好的信誉。
上海上继科技有限公司(专注电力保护继电器生产厂家)销售热线:021-57233089 QQ:1932551438
{以上内容仅供参考,上海上继科技有限公司有最终解释权}
更多继电器精彩文章——JY-AS/1电压继电器安装尺寸及参数