JWY-42A电压继电器原理及开孔尺寸-上海上继科技有限公司
发布时间:2019-07-27
一、JWY-42A电压继电器的概述
JWY-42A无辅助源电压继电器用于发电机,变压器和输电线的继电保护装置中, 作为过电压保护或低电压闭锁的启动元件。本继电器 为集成电路静态型继电器,精度高、功耗小、动作时间短、返回系数高、整定直观方便、范围宽,且作为低电压继电器使用无抖动现象,无 需直流辅助电源完全可以替代电磁型电压继电器。
JWY无辅助源电压继电器分为三个系列:JWY-10、JWY-20、JWY-30,可分别替代 DJ-100、DY-20C、DY-30等系列电磁型 电压继电器。JWY 系列集成电路电压继电器采用拨码开关整定电压值,用数字倍率开关切换,改变后无需校验。
二、JWY-42A电压继电器的原理

本继电器为静态型继电器,采用进口集成电路构成,被测量的交流电压U~经隔离变压器降压后得到与被测电压成正比的电压Ui,经 整定后进行整流,整流后脉冲电压经滤波器滤波,得到与Ui成正比的直流电压Uo,在电平检测中Uo与直流参考电压 Ue 进行比较,若直流 电压Uo低于参考电压,电平检测器输出正信号,驱动出口继电器,则本继电器处于动作状态。反之,不论是过电压继电器或是低电压继电器, 若直流电压Uo高于参考电压 Ue,电平检测器输出负信号,本继电器处于不动作状态。
三、JWY-42A电压继电器的动作时间
在1.1倍实测动作值时,过电压继电器的动作时间不大于0.12 s(对DY-32~34/60C不大于0.15 s);在2倍实测动作值时,动作时间不大于0.04 s(对DY-32~34/60C不大于0.06 s);低电压继电器在0.5倍实测动作值时,动作时间不大于0.15s。
四、JWY-42A电压继电器的绝缘性能
a. 绝缘电阻不小于300MΩ。
b. 介质强度
继电器各导电电路连在一起与外露的非带电金属部分及外壳之间,能承受2kV(有效值)、50Hz的交流电压历时1min的试验,而无绝缘击穿或闪络现象。
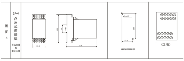
五、JWY-42A电压继电器的开孔尺寸

公司介绍:上海上继科技有限公司是一家专业从事电力系统继电保护及智能电网电力自动化产品的研发、设计、生产、销售和服务为一体的高科技公司。拥有资深继电保护专家团队和国内**的检测仪器及校验设备。同时还引用国内外先进技术,来进行技术创新。本公司的产品广泛用于电力、工矿、铁路、建筑等国家重大工程输配变电系统上,产品远销东南亚及中东地区。产品通过国家继电保护及自动化设备质量监督检验中心检测,获得ISO-9001:2000国际质量体系认证。“科技创新,诚信务实”是公司的经营理念,本公司以高超的技术支持和对用户高度负责的售后服务赢得了输配电成套企业的信赖,且树立了良好的信誉。
上海上继科技有限公司(专注电力保护继电器生产厂家)销售热线:021-57233089 QQ:1932551438
{以上内容仅供参考,上海上继科技有限公司有最终解释权}
更多继电器精彩文章——JY-BS/1电压继电器安装尺寸及接线图