JWY-43A电压继电器参数及开孔尺寸-上海上继科技有限公司
发布时间:2019-07-27
一、JWY-43A电压继电器的用途
JWY-43A无辅助源电压继电器用于发电机,变压器和输电线的继电保护装置中, 作为过电压保护或低电压闭锁的启动元件。本继电器 为集成电路静态型继电器,精度高、功耗小、动作时间短、返回系数高、整定直观方便、范围宽,且作为低电压继电器使用无抖动现象,无 需直流辅助电源完全可以替代电磁型电压继电器。
JWY无辅助源电压继电器分为三个系列:JWY-10、JWY-20、JWY-30,可分别替代 DJ-100、DY-20C、DY-30等系列电磁型 电压继电器。JWY 系列集成电路电压继电器采用拨码开关整定电压值,用数字倍率开关切换,改变后无需校验。
二、JWY-43A电压继电器的参数
1、交流额定值:100V/50Hz
2、过载能力:交流回路允许长期接通1.2倍额定值。
3、电压整定范围:15-240V、80-440V,级差为1V。
4、功率消耗: a、交流回路功耗小于1.5VA(交流额定值100V时)
5、整定误差
a、在整定范围内,整定平均误差的绝对值不大于3%,平均误差=(5次测量平均值-整定值)/整定值×100%。
b、在基准条件下,同一整定值上测量的5次动作值的**值和最小值应不大于的4%。
c、在-10℃~50℃的温度下,任一整定点误差的绝对值应不大于整定值的4%。
6、动作时间
a、过电压继电器:1.2倍整定值的动作时间不大于40ms;2倍整定值的动作时间不大于35ms;
7、返回系数
a、过电压继电器返回系数为0.85~0.95;
b、低电压继电器返回系数为1.02~1.12。
8、返回时间:不大于27ms。
三、JWY-43A电压继电器的调试方法
1. 继电器在使用前应检查有无在运输中产生的损坏,即将继电器整定在第一整定点上,用手将可动系统往磁极方向转动,然后放开,可动系统应当转回到原来位置,直到止挡。
2. 继电器重新调整时,必须保证:
a. 可动系统的轴向活动量在0.15~0.25mm之间;
b. 动片和磁极间的气隙应均匀,在任何动作情况下,动片和磁极不应相碰;
c. 在动作过程中,可动系统不得停滞在中间位置;
d. 当指针由第一刻度旋向**刻度时,游丝各圈不得相碰;
e. 当触点在打开位置时,动静触点间总气隙不小于1.5mm;
f. 静触点片和限制片间的间隙为0.1mm~0.3mm。
3. 继电器最小整定值的调整,主要是改变游丝的反作用力的大小,**整定值的调整主要是改变动片和磁极间的气隙等。
四、JWY-43A电压继电器的触点性能
a. 触点断开容量:在直流有感(τ= 5ms)回路,U≤250V,I≤2A,为50W;在交流(cosφ=0.4)回路,U≤250V,I≤2A,为250VA。
b. 电寿命:5×10次。
c. 机械寿命为10次。
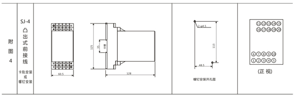
五、JWY-43A电压继电器的开孔尺寸

公司介绍:上海上继科技有限公司是一家专业从事电力系统继电保护及智能电网电力自动化产品的研发、设计、生产、销售和服务为一体的高科技公司。拥有资深继电保护专家团队和国内**的检测仪器及校验设备。同时还引用国内外先进技术,来进行技术创新。本公司的产品广泛用于电力、工矿、铁路、建筑等国家重大工程输配变电系统上,产品远销东南亚及中东地区。产品通过国家继电保护及自动化设备质量监督检验中心检测,获得ISO-9001:2000国际质量体系认证。“科技创新,诚信务实”是公司的经营理念,本公司以高超的技术支持和对用户高度负责的售后服务赢得了输配电成套企业的信赖,且树立了良好的信誉。
上海上继科技有限公司(专注电力保护继电器生产厂家)销售热线:021-57233089 QQ:1932551438
{以上内容仅供参考,上海上继科技有限公司有最终解释权}
更多继电器精彩文章——JY8-32电压继电器安装尺寸及参数