JY-23B电压继电器接线图及开孔尺寸-上海上继科技有限公司
发布时间:2019-07-27
一、JY-23B电压继电器的介绍
电压继电器是一种电子控制器件,它具有控制系统(又称输入回路)和被控制系统(又称输出回路),通常应用于自动控制电路中,它实际上是用较小的电流去控制较大电流的一种“自动开关”。故在电路中起着自动调节、安全保护、转换电路等作用。主要用于发电机、变压器和输电线的继电保护装置中,作为过电压保护或低电压闭锁的启动原件。
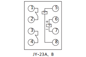
二、JY-23B电压继电器的接线图

三、JY-23B电压继电器的结构
电压继电器分为凸出式固定结构,凸出式插拔式结构,嵌入式插拔结构等,并有透明的塑料外罩,可以观察继电器的整定值和规格等。
电压继电器磁系统有两个线圈,线圈出头接在底座端子上,用户可以根据需要串并联,因而可使继电器整定范围变化一倍。
电压继电器铭牌的刻度值及额定值对于电流继电器是线圈串联时的电流(以A为单位),对于电压继电器是线圈并联时的电压(以V为单位)。转动刻度盘上的指针,以改变游丝的反作用力矩从而可以改变继电器的动作值。
四、JY-23B电压继电器的触点性能
a. 触点断开容量:在直流有感(τ= 5ms)回路,U≤250V,I≤2A,为50W;在交流(cosφ=0.4)回路,U≤250V,I≤2A,为250VA。
b. 电寿命:5×10次。
c. 机械寿命为10次。
五、JY-23B电压继电器的开孔尺寸

公司介绍:上海上继科技有限公司是一家专业从事电力系统继电保护及智能电网电力自动化产品的研发、设计、生产、销售和服务为一体的高科技公司。拥有资深继电保护专家团队和国内**的检测仪器及校验设备。同时还引用国内外先进技术,来进行技术创新。本公司的产品广泛用于电力、工矿、铁路、建筑等国家重大工程输配变电系统上,产品远销东南亚及中东地区。产品通过国家继电保护及自动化设备质量监督检验中心检测,获得ISO-9001:2000国际质量体系认证。“科技创新,诚信务实”是公司的经营理念,本公司以高超的技术支持和对用户高度负责的售后服务赢得了输配电成套企业的信赖,且树立了良好的信誉。
上海上继科技有限公司(专注电力保护继电器生产厂家)销售热线:021-57233089 QQ:1932551438
{以上内容仅供参考,上海上继科技有限公司有最终解释权}
更多继电器精彩文章——JWY-43B电压继电器接线图及开孔尺寸