DL-23CE电流继电器接线图及开孔尺寸-上海上继科技有限公司
发布时间:2019-08-06
一、DL-23CE电流继电器的应用范围
DL-23CE电流继电器用于发电机、变压器及输电线路的过负荷和短路保护线路中,作为起动元件。
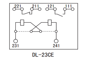
二、DL-23CE电流继电器的接线图

三、DL-23CE电流继电器的原理
电磁式电流继电器,为电磁式瞬动过电流继电器,它广泛用于电力系统二次回路继电保护装置线路中,作为过电流启动元件。交流接触器的电磁系统会产生电磁噪声污染。为了解决交流接触器交流噪声大、耗电量大、温升高、功率因数低的问题,目前有一种交流接触器自身有双绕组线圈加整流组件,此种交流接触器运行时比无节能的单线圈情况节电70%左右,运行时无噪音,接触器线圈烧坏情况有所改善。
四、DL-23CE电流继电器的整定误差
a、在整定值范围内,整定平均误差的绝对值不大于3%;平均误差=(5次测量平均值-整定值)/整定值×100%。
b、在标准条件下,同一整定值上测量的5次动作值的**值和最小值应不大于4%。
c、在-10℃50℃的温度下,任一整定点误差的绝对值应不大于整定值的5%。
d、在辅助电压80~110%变化范围内,任一整定值整定误差的绝对值应不大于4%。
五、DL-23CE电流继电器的开孔尺寸

公司介绍:上海上继科技有限公司是一家专业从事电力系统继电保护及智能电网电力自动化产品的研发、设计、生产、销售和服务为一体的高科技公司。拥有资深继电保护专家团队和国内**的检测仪器及校验设备。同时还引用国内外先进技术,来进行技术创新。本公司的产品广泛用于电力、工矿、铁路、建筑等国家重大工程输配变电系统上,产品远销东南亚及中东地区。产品通过国家继电保护及自动化设备质量监督检验中心检测,获得ISO-9001:2000国际质量体系认证。“科技创新,诚信务实”是公司的经营理念,本公司以高超的技术支持和对用户高度负责的售后服务赢得了输配电成套企业的信赖,且树立了良好的信誉。
上海上继科技有限公司(专注电力保护继电器生产厂家)销售热线:021-57233089 QQ:1932551438
{以上内容仅供参考,上海上继科技有限公司有最终解释权}
更多继电器精彩文章——JY-31B电压继电器原理及接线图