DL-12电流继电器参数及开孔尺寸-上海上继科技有限公司
发布时间:2019-08-06
一、DL-12电流继电器的介绍
电流继电器是一种电子控制器件,它具有控制系统(又称输入回路)和被控制系统(又称输出回路),通常应用于自动控制电路中,它实际上是用较小的电流去控制较大电流的一种“自动开关”。故在电路中起着自动调节、安全保护、转换电路等作用。
二、DL-12电流继电器的接线图

三、DL-12电流继电器的参数
动作时间:在1.1倍实测动作值时,动作时间不大于0.12s;在2倍实测动作值时,动作时间不大于0.04s。
触点容量:在电压不超过250V,电流不超过5A,时间常数为5±0.75ms的直流有感负荷电路中,产品输出触点的断开容量为50W。 输出触点在上述规定的负荷条件下,产品能可靠动作及返回5×104次。输出触点长期允许接通电流为5A。
介质强度:产品各导电端子连在一起,对外露的非带电金属部分或外壳之间,能承受2000V(有效值)50Hz的交流电压历时1分钟试验 而无绝缘击穿或闪络现象。
四、DL-12电流继电器的结构
1. 继电器系电磁式,瞬时动作,磁系统有两个线圈,线圈出头接在底座端子上,用户可以根据需要串并联,因而可使继电器整定变化一倍。
2. 继电器**的刻度值及额定值对于电流继电器是线圈串联的(以安培为单位)转动刻度盘上的指针、以改变游丝的反作用力矩,从而可以改变继电器的动作值。
3. 继电器的动作:电流升至整定值或大于整定值时,继电器就动作,动合触点闭合,动断触点断开。当电流降低到0.8倍整定值时,继电器就返回,动合触点断开,动断触点闭合。
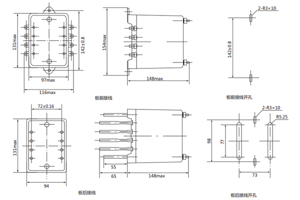
五、DL-12电流继电器的开孔尺寸

公司介绍:上海上继科技有限公司是一家专业从事电力系统继电保护及智能电网电力自动化产品的研发、设计、生产、销售和服务为一体的高科技公司。拥有资深继电保护专家团队和国内**的检测仪器及校验设备。同时还引用国内外先进技术,来进行技术创新。本公司的产品广泛用于电力、工矿、铁路、建筑等国家重大工程输配变电系统上,产品远销东南亚及中东地区。产品通过国家继电保护及自动化设备质量监督检验中心检测,获得ISO-9001:2000国际质量体系认证。“科技创新,诚信务实”是公司的经营理念,本公司以高超的技术支持和对用户高度负责的售后服务赢得了输配电成套企业的信赖,且树立了良好的信誉。
上海上继科技有限公司(专注电力保护继电器生产厂家)销售热线:021-57233089 QQ:1932551438
{以上内容仅供参考,上海上继科技有限公司有最终解释权}
更多继电器精彩文章——DL-23C电流继电器接线图及开孔尺寸