JL-B/31电流继电器参数及接线图-上海上继科技有限公司
发布时间:2019-08-07
一、JL-B/31电流继电器的简介
电流继电器是电力系统继电保护中最常用的元件。电流继电器具有接线简单、动作迅速可靠、维护方便、使用寿命长等优点,作为保护元件广泛应用于电动机、变压器和输电线路的过载和短路的继电保护线路中。电流继电器的检测对象是电路或主要电器部件电流的变化情况,当电流超过(或低于)某一整定值时,继电器动作,完成继电器控制及保护作用。
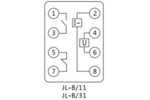
二、JL-B/31电流继电器的接线图

三、JL-B/31电流继电器的原理
当电路过流时,继电器将按反时限或定时限延时动作并切断电路,且反时限或定时限以及延时时间的长短均可依靠拨动开关来灵活选择。静态电流继电器,采用进口集成电路构成。被测量的交流电流I~经隔离变流器后,在其次级得到与被测、电流成正比的电压Ui。经定值整定后进行整流,整流后的脉冲电压经滤波器滤波,得到与Ui成正比的直流电压Uo。在电平检测中Uo与直流参考电压Ue进行比较,若直流电压Uo低于参考电压,电平检测器输出正信号,驱动出口继电器,继电器处于动作状态,反之,若直流电压Uo高于参考电压Ue,电平检测器输出负信号,本继电器处于不动作状态。
四、JL-B/31电流继电器的结构
1. 继电器系电磁式,瞬时动作,磁系统有两个线圈,线圈出头接在底座端子上,用户可以根据需要串并联,因而可使继电器整定变化一倍。
2. 继电器**的刻度值及额定值对于电流继电器是线圈串联的(以安培为单位)转动刻度盘上的指针、以改变游丝的反作用力矩,从而可以改变继电器的动作值。
3. 继电器的动作:电流升至整定值或大于整定值时,继电器就动作,动合触点闭合,动断触点断开。当电流降低到0.8倍整定值时,继电器就返回,动合触点断开,动断触点闭合。
五、JL-B/31电流继电器的参数
1 整定范围 0.02~9.99A,级差为0.001A 2-99.9A,级差0.1A
其它值可按用户要求定制
2 动作时间 1.2倍整定电流,动作时间不大于25mS。
2倍整定电流,动作时间不大于20mS。
3 返回系数 过电流继电器:0.9~0.97;欠电流继电器:1.05~1.15。
4 整定误差 小于2%。
5 功耗 继电器动作,功耗小于5W,继电器不动作,功耗小于4W。
6 触点容量 在电压不大于250V时,触点连续接通电流为5A;
在电压不大于250V时,电路时间常数L/R为5mS的直流电路中,可断开30W。
在电压不大于250V时,功率因数COSΦ为0.4的交流电路中,可分断200VA。
7 触点寿命 电寿命:105次, 机械寿命:106次。
8 绝缘电阻 继电器各导电端子连在一起,对外露非带电金属部分或外壳之间,用开路电压为500V的兆欧表测量其绝缘电阻不 小于300MΩ。
9 介质强度 继电器各带电端子连在一起,对外露飞带电端子或外壳之间能承受有效值为2000V,50Hz的交流电压,历时1分钟 而不击穿,不出现闪络现象。
10 抗干扰性能 继电器的抗干扰负荷DL478-92《静态继电保护及安全自动装置通用技术条件》 。
公司介绍:上海上继科技有限公司是一家专业从事电力系统继电保护及智能电网电力自动化产品的研发、设计、生产、销售和服务为一体的高科技公司。拥有资深继电保护专家团队和国内**的检测仪器及校验设备。同时还引用国内外先进技术,来进行技术创新。本公司的产品广泛用于电力、工矿、铁路、建筑等国家重大工程输配变电系统上,产品远销东南亚及中东地区。产品通过国家继电保护及自动化设备质量监督检验中心检测,获得ISO-9001:2000国际质量体系认证。“科技创新,诚信务实”是公司的经营理念,本公司以高超的技术支持和对用户高度负责的售后服务赢得了输配电成套企业的信赖,且树立了良好的信誉。
上海上继科技有限公司(专注电力保护继电器生产厂家)销售热线:021-57233089 QQ:1932551438
{以上内容仅供参考,上海上继科技有限公司有最终解释权}
更多继电器精彩文章——DL-23C电流继电器接线图及开孔尺寸