JWL-41电流继电器安装尺寸及接线图-上海上继科技有限公司
发布时间:2019-08-10
一、JWL-41电流继电器的简介
电流继电器是电力系统继电保护中最常用的元件。电流继电器具有接线简单、动作迅速可靠、维护方便、使用寿命长等优点,作为保护元件广泛应用于电动机、变压器和输电线路的过载和短路的继电保护线路中。电流继电器的检测对象是电路或主要电器部件电流的变化情况,当电流超过(或低于)某一整定值时,继电器动作,完成继电器控制及保护作用。
二、JWL-41电流继电器的接线图

三、JWL-41电流继电器的结构
1. 继电器系电磁式,瞬时动作,磁系统有两个线圈,线圈出头接在底座端子上,用户可以根据需要串并联,因而可使继电器整定变化一倍。
2. 继电器**的刻度值及额定值对于电流继电器是线圈串联的(以安培为单位)转动刻度盘上的指针、以改变游丝的反作用力矩,从而可以改变继电器的动作值。
3. 继电器的动作:电流升至整定值或大于整定值时,继电器就动作,动合触点闭合,动断触点断开。当电流降低到0.8倍整定值时,继电器就返回,动合触点断开,动断触点闭合。
四、JWL-41电流继电器的整定误差
a、在整定值范围内,整定平均误差的绝对值不大于3%;平均误差=(5次测量平均值-整定值)/整定值×100%。
b、在标准条件下,同一整定值上测量的5次动作值的**值和最小值应不大于4%
c、在-10℃50℃的温度下,任一整定点误差的绝对值应不大于整定值的5%。
d、在辅助电压80~110%变化范围内,任一整定值整定误差的绝对值应不大于4%。
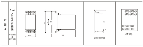
五、JWL-41电流继电器的安装尺寸

公司介绍:上海上继科技有限公司是一家专业从事电力系统继电保护及智能电网电力自动化产品的研发、设计、生产、销售和服务为一体的高科技公司。拥有资深继电保护专家团队和国内**的检测仪器及校验设备。同时还引用国内外先进技术,来进行技术创新。本公司的产品广泛用于电力、工矿、铁路、建筑等国家重大工程输配变电系统上,产品远销东南亚及中东地区。产品通过国家继电保护及自动化设备质量监督检验中心检测,获得ISO-9001:2000国际质量体系认证。“科技创新,诚信务实”是公司的经营理念,本公司以高超的技术支持和对用户高度负责的售后服务赢得了输配电成套企业的信赖,且树立了良好的信誉。
上海上继科技有限公司(专注电力保护继电器生产厂家)销售热线:021-57233089 QQ:1932551438
{以上内容仅供参考,上海上继科技有限公司有最终解释权}
更多继电器精彩文章——JL8-11电流继电器参数及接线图