JWL-42电流继电器安装尺寸及参数-上海上继科技有限公司
发布时间:2019-08-10
一、JWL-42电流继电器的概述
1、JWL-33集成电路无辅源电流继电器用于发电机、 变压器和输电线的过负荷和短路保护装置中作为启动元件。本继电器为集成电路静态型继电器,精度高、功耗小、动作时间快、返回系数高、整定直观方便、范围宽,无需提供直流辅助电源可完全替代电磁型电流继电器。
2、JWL-33无辅源电流继电器分为三个系列:JWL-10、20、30,分别替代 DL-10、DL-20、DL-30等系列电磁型电流继电器。JWL系列无辅源电流继电器采用拨码开关整定电流值,改变整定值无需校验,整定范围宽,有利于用户压缩库存品种。
二、JWL-42电流继电器的接线图

三、JWL-42电流继电器的参数
1、功率消耗:交流回路功耗小于1.5VA(交流额定值5A时)。
2、整定误差
a、整定值在2-99.9A范围内,整定平均误差的绝对值不大于3%;
平均误差=(5次测量平均值-整定值)/整定值×100%。
b、在基准条件下,同一整定值上测量的5次动作值的**值和最小值应不大于的4%。
c、在-10℃~50℃的温度下,任一整定点误差的绝对值应不大于整定值的5%。
3、交流额定值:5A,50Hz(可长期接通15A电流)。
4、动作时间: 1.1倍整定值的动作时间不大于40ms;2倍整定值的动作时间不大于35ms。
5、返回系数:0.85-0.95
6、 返回时间:不大于27ms。
四、JWL-42电流继电器的原理
电磁式继电器一般由铁芯、线圈、衔铁、触点簧片等组成的。只要在线圈两端加上一定的电压,线圈中就会流过一定的电流,从而产生电磁效应,衔铁就会在电磁力吸引的作用下克服返回弹簧的拉力吸向铁芯,从而带动衔铁的动触点与静触点(常开触点)吸合。当线圈断电后,电磁的吸力也随之消失,衔铁就会在弹簧的反作用力返回原来的位置,使动触点与原来的静触点(常闭触点)吸合。这样吸合、释放,从而达到了在电路中的导通、切断的目的。对于继电器的“常开、常闭”触点,可以这样来区分:继电器线圈未通电时处于断开状态的静触点,称为“常开触点”;处于接通状态的静触点称为“常闭触点”。
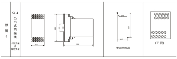
五、JWL-42电流继电器的安装尺寸

公司介绍:上海上继科技有限公司是一家专业从事电力系统继电保护及智能电网电力自动化产品的研发、设计、生产、销售和服务为一体的高科技公司。拥有资深继电保护专家团队和国内**的检测仪器及校验设备。同时还引用国内外先进技术,来进行技术创新。本公司的产品广泛用于电力、工矿、铁路、建筑等国家重大工程输配变电系统上,产品远销东南亚及中东地区。产品通过国家继电保护及自动化设备质量监督检验中心检测,获得ISO-9001:2000国际质量体系认证。“科技创新,诚信务实”是公司的经营理念,本公司以高超的技术支持和对用户高度负责的售后服务赢得了输配电成套企业的信赖,且树立了良好的信誉。
上海上继科技有限公司(专注电力保护继电器生产厂家)销售热线:021-57233089 QQ:1932551438
{以上内容仅供参考,上海上继科技有限公司有最终解释权}
更多继电器精彩文章——JL8-12电流继电器参数及开孔尺寸