DZ-700/8000中间继电器结构及参数-上海上继科技有限公司
发布时间:2019-08-14
一、DZ-700/8000中间继电器的概述
DZ-700/8000中间继电器做为一种辅助继电器,用于直接操作的各种保护和自动控制装置中,以增加触点的数量及容量。
二、DZ-700/8000中间继电器的结构
该继电器是在DM-1型电码继电器的基础上增加底座和外壳而成。壳体结构采用JK-1(凸出式后接线)、JKF-1Q(凸出式接线)、JK-6/1(嵌入 式后接线)标准组件,订货需指明。
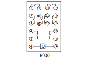
三、DZ-700/8000中间继电器的接线图

四、DZ-700/8000中间继电器的参数
DZ-700/8000中间继电器主要技术数据见表

注:触点形式由4位数字组成,左起第一位表示动合触点数量;第二位表示动断触点数量;第三位表示转换触点数量;第四位表示过渡转换触点数量。
五、DZ-700/8000中间继电器的介质强度
对下部位应能承受规定的交流电压试验1分钟而无绝缘击穿或闪络现象。
①所有导电端子与外露非带电金属或外壳之间2000V/50Hz;
②动、静触点之间1000V/50Hz;
③常开触点(继电器上的NO)与常闭触点(继电器上的NC)之间1000V/50Hz;
④触点与电压回路之间1000V/50Hz。
公司介绍:上海上继科技有限公司是一家专业从事电力系统继电保护及智能电网电力自动化产品的研发、设计、生产、销售和服务为一体的高科技公司。拥有资深继电保护专家团队和国内**的检测仪器及校验设备。同时还引用国内外先进技术,来进行技术创新。本公司的产品广泛用于电力、工矿、铁路、建筑等国家重大工程输配变电系统上,产品远销东南亚及中东地区。产品通过国家继电保护及自动化设备质量监督检验中心检测,获得ISO-9001:2000国际质量体系认证。“科技创新,诚信务实”是公司的经营理念,本公司以高超的技术支持和对用户高度负责的售后服务赢得了输配电成套企业的信赖,且树立了良好的信誉。
上海上继科技有限公司(专注电力保护继电器生产厂家)销售热线:021-57233089 QQ:1932551438
{以上内容仅供参考,上海上继科技有限公司有最终解释权}
更多继电器精彩文章——DZK-911中间继电器参数及接线图