DZ-700/4011中间继电器结构及接线图-上海上继科技有限公司
发布时间:2019-08-14
一、DZ-700/4011中间继电器的介绍
用于继电保护与自动控制系统中,以增加触点的数量及容量。 它用于在控制电路中传递中间信号。中间继电器的结构和原理与交流接触器基本相同,与接触器的主要区别在于:接触器的主触头可以通过大电流,而中间继电器的触头只能通过小电流。所以,它只能用于控制电路中。 它一般是没有主触点的,因为过载能力比较小。所以它用的全部都是辅助触头,数量比较多。新国标对中间继电器的定义是K,老国标是KA。一般是直流电源供电。少数使用交流供电。
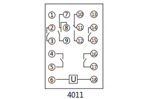
二、DZ-700/4011中间继电器的接线图

三、DZ-700/4011中间继电器的结构
⒈线圈装在"U"形导磁体上,导磁体上面有一个活动的衔铁,导磁体两侧装有两排触点弹片。在非动作状态下触点弹片将衔铁向上托起,使衔铁与导磁体之间保持一定间隙。当气隙间的电磁力矩超过反作用力矩时,衔铁被吸向导磁体,同时衔铁压动触点弹片,使常闭触点断开常开触点闭合,完成继电器工作。当电磁力矩减小到一定值时,由于触点弹片的反作用力矩,而使触点与衔铁返回到初始位置,准备下次工作。
⒉本继电器的"U"形导磁体采用双铁心结构,即在两个边柱上均可装设线圈。对于DZY、DZL和DZJ型只装一个线圈,而对于DZB,DZS,DZK型可根据需要在另一个铁心上装以保持线圈或延时用阻尼片等。从而使线圈类型大不相同的继电器都通用一个导磁体。
3.中间继电器原理和交流接触器一样,都是由固定铁芯、动铁芯、弹簧、动触点、静触点、线圈、接线端子和外壳组成。
四、DZ-700/4011中间继电器的介质强度
对下部位应能承受规定的交流电压试验1分钟而无绝缘击穿或闪络现象。
①所有导电端子与外露非带电金属或外壳之间2000V/50Hz;
②动、静触点之间1000V/50Hz;
③常开触点(继电器上的NO)与常闭触点(继电器上的NC)之间1000V/50Hz;
④触点与电压回路之间1000V/50Hz。
五、DZ-700/4011中间继电器的特点
⒈静态中间继电器采用线圈电压较低的多个优质密封小型继电器组合而成,防潮、防尘、不断线,可靠性高,克服了电磁型中间继电器导线过细易断线的缺点。
⒉功耗小,温升低,不需外附大功率电阻,可任意安装及接线方便。
⒊继电器触点容量大,工作寿命长。
⒋继电器动作后有发光管指示,便于现场观察。
⒌延时只需用面板上的拨码开关整定,延时精度高,延时范围可在0.02-5.00S任意整定。
公司介绍:上海上继科技有限公司是一家专业从事电力系统继电保护及智能电网电力自动化产品的研发、设计、生产、销售和服务为一体的高科技公司。拥有资深继电保护专家团队和国内**的检测仪器及校验设备。同时还引用国内外先进技术,来进行技术创新。本公司的产品广泛用于电力、工矿、铁路、建筑等国家重大工程输配变电系统上,产品远销东南亚及中东地区。产品通过国家继电保护及自动化设备质量监督检验中心检测,获得ISO-9001:2000国际质量体系认证。“科技创新,诚信务实”是公司的经营理念,本公司以高超的技术支持和对用户高度负责的售后服务赢得了输配电成套企业的信赖,且树立了良好的信誉。
上海上继科技有限公司(专注电力保护继电器生产厂家)销售热线:021-57233089 QQ:1932551438
{以上内容仅供参考,上海上继科技有限公司有最终解释权}
更多继电器精彩文章——DZ-700E/3600中间继电器接线图及开孔尺寸