DZB-233X中间继电器安装尺寸及接线图-上海上继科技有限公司
发布时间:2019-08-22
一、DZB-233X中间继电器的用途
DZB-233X中间继电器用于各种保护和自动控制装置中,以增加保护和控制回路的触点数量和触点容量。
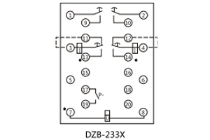
二、DZB-233X中间继电器的接线图

三、DZB-233X中间继电器的安装尺寸

四、DZB-233X中间继电器的额定值
电压额定值:额定电压DC:12V、24V、48V、110V、220V; AC:110V、220V、380V。
动作值:动作电压直流应不大于额定电压70%,交流应不大于额定电压75%;
返回值:返回电压应不小于10%额定电压。
动作时间和返回时间不大于15ms。
五、DZB-233X中间继电器的触点性能
触点断开容量,交流:10A,250V AC;直流10A,28V DC。
触点**切换功率,交流:1800VA;直流:360W。
触点长期允许闭合电流:装置输出触点长期允许闭合电流为5A。
触点电气寿命:输出触点在上述规定的负荷条件下,产品能可靠动作及返回50000次。
公司介绍:上海上继科技有限公司是一家专业从事电力系统继电保护及智能电网电力自动化产品的研发、设计、生产、销售和服务为一体的高科技公司。拥有资深继电保护专家团队和国内**的检测仪器及校验设备。同时还引用国内外先进技术,来进行技术创新。本公司的产品广泛用于电力、工矿、铁路、建筑等国家重大工程输配变电系统上,产品远销东南亚及中东地区。产品通过国家继电保护及自动化设备质量监督检验中心检测,获得ISO-9001:2000国际质量体系认证。“科技创新,诚信务实”是公司的经营理念,本公司以高超的技术支持和对用户高度负责的售后服务赢得了输配电成套企业的信赖,且树立了良好的信誉。
上海上继科技有限公司(专注电力保护继电器生产厂家)销售热线:021-57233089 QQ:1932551438
{以上内容仅供参考,上海上继科技有限公司有最终解释权}
更多继电器精彩文章——DZY-221X中间继电器技术数据及开孔尺寸