DZB-278中间继电器原理及开孔尺寸-上海上继科技有限公司
发布时间:2019-08-22
一、DZB-278中间继电器的概述
用于继电保护与自动控制系统中,以增加触点的数量及容量。 它用于在控制电路中传递中间信号。中间继电器的结构和原理与交流接触器基本相同,与接触器的主要区别在于:接触器的主触头可以通过大电流,而中间继电器的触头只能通过小电流。所以,它只能用于控制电路中。 它一般是没有主触点的,因为过载能力比较小。所以它用的全部都是辅助触头,数量比较多。新国标对中间继电器的定义是K,老国标是KA。一般是直流电源供电。少数使用交流供电。
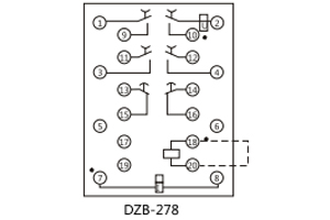
二、DZB-278中间继电器的接线图

三、DZB-278中间继电器的原理
1.本继电器为阀型电磁式继电器。线圈装在“U”形导磁体上, 导磁体上面有一个活动的衔铁, 导磁体两侧装有两排触点弹开。在非动作状态下触点弹片将衔铁向上托起,使衔铁与导磁体之间保持一定间隙。当气隙间的电磁力矩超过反作用力矩时,衔铁被吸向导磁体,同时衔铁压动触点弹片,使常闭触点断开常开触点闭合,完成继电器工作。当电磁力矩减小到一定值时,由于触点弹片的反作用力矩,而使触点与衔铁返回到初始位置,准备下次工作。
2.本继电器的“U”形导磁体采用双铁心结构,即在两个边柱上均可装设线圈。对于DZY、DZL和DZJ型只装一个线圈,而对于DZB, DZS, DZK型可根据需要在另一个铁心上装以保持线圈或延时用阻尼片等。从而使线圈类型大不相同的继电器都通用一个导磁体。
3.根据继电保护的中间继电器常与信号继电器同时使用的情况,本继电器X型产品附有联动的动作信号指示与复归机构,并有一对带机械保持的动合触点以接通远方信号,即完全可以将联动的信号继电器省掉,这对提高保持装置的可靠性,简化接线,降低成本是有一定意义的。
四、DZB-278中间继电器的开孔尺寸

五、DZB-278中间继电器的额定值
电压额定值:额定电压DC:12V、24V、48V、110V、220V; AC:110V、220V、380V。
动作值:动作电压直流应不大于额定电压70%,交流应不大于额定电压75%;
返回值:返回电压应不小于10%额定电压。
动作时间和返回时间不大于15ms。
公司介绍:上海上继科技有限公司是一家专业从事电力系统继电保护及智能电网电力自动化产品的研发、设计、生产、销售和服务为一体的高科技公司。拥有资深继电保护专家团队和国内**的检测仪器及校验设备。同时还引用国内外先进技术,来进行技术创新。本公司的产品广泛用于电力、工矿、铁路、建筑等国家重大工程输配变电系统上,产品远销东南亚及中东地区。产品通过国家继电保护及自动化设备质量监督检验中心检测,获得ISO-9001:2000国际质量体系认证。“科技创新,诚信务实”是公司的经营理念,本公司以高超的技术支持和对用户高度负责的售后服务赢得了输配电成套企业的信赖,且树立了良好的信誉。
上海上继科技有限公司(专注电力保护继电器生产厂家)销售热线:021-57233089 QQ:1932551438
{以上内容仅供参考,上海上继科技有限公司有最终解释权}
更多继电器精彩文章——DZS-454中间继电器特点及技术数据