DZ-3E/4AJ中间继电器技术数据及开孔尺寸-上海上继科技有限公司
发布时间:2019-08-27
一、DZ-3E/4AJ中间继电器的概述
中间继电器在继电保护中和自动控制系统中是一个多用的自动远动电器。中间继电器因为有良好的电隔离.至使控制方和被控方无电器上的连接,而达到安全控制目的。
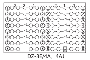
二、DZ-3E/4AJ中间继电器的接线图

三、DZ-3E/4AJ中间继电器的技术数据
额定电压:AC220V、110V、48V、24V;DC220V、110V、48V、24V。
接点形式: 8动合; 6动合2动断; 4动合4动断; 2动合6动断; 8动断; 7动合1动断; 10动合4动断; 4动合10动断; 7动合7动断。
动作值:直流继电器动作电压不大于70%额定电压;交流继电器动作电压不大于85%额定电压。
动作时间:不大于50ms。
功率消耗:不大于11W。

触点容量:在电压不超过250V,电流不超过5A,时间常数为5±0.75ms的直流有感负荷电路中,产品输出触点的断开容量为50W。输出触点在上述规定的负荷条件下,产品能可靠动作及返回5x104次。输出触点长期允许接通电流为5A。
介质强度:产品各导电端子连在一起,对外露的非带电金属部分或外壳之间,能承受2000V(有效值)50Hz的交流电压历时1分钟试验而无绝缘击穿或闪络现象。
四、DZ-3E/4AJ中间继电器的开孔尺寸

五、DZ-3E/4AJ中间继电器的额定值
电压额定值:额定电压DC:12V、24V、48V、110V、220V; AC:110V、220V、380V。
动作值:动作电压直流应不大于额定电压70%,交流应不大于额定电压75%;
返回值:返回电压应不小于10%额定电压。
动作时间和返回时间不大于15ms。
公司介绍:上海上继科技有限公司是一家专业从事电力系统继电保护及智能电网电力自动化产品的研发、设计、生产、销售和服务为一体的高科技公司。拥有资深继电保护专家团队和国内**的检测仪器及校验设备。同时还引用国内外先进技术,来进行技术创新。本公司的产品广泛用于电力、工矿、铁路、建筑等国家重大工程输配变电系统上,产品远销东南亚及中东地区。产品通过国家继电保护及自动化设备质量监督检验中心检测,获得ISO-9001:2000国际质量体系认证。“科技创新,诚信务实”是公司的经营理念,本公司以高超的技术支持和对用户高度负责的售后服务赢得了输配电成套企业的信赖,且树立了良好的信誉。
上海上继科技有限公司(专注电力保护继电器生产厂家)销售热线:021-57233089 QQ:1932551438
{以上内容仅供参考,上海上继科技有限公司有最终解释权}
更多继电器精彩文章——JZE-40中间继电器参数及接线图