ZJC-3冲击继电器技术要求及产品价格-上海上继科技有限公司
发布时间:2019-09-06
一、ZJC-3冲击继电器生产厂家
上海上继科技有限公司是一家专业从事电力系统继电保护及智能电网电力自动化产品的研发、设计、生产、销售和服务为一体的高科技公司。 公司依托国际大都市上海的优越环境,拥有资深继电保护专家团队,熟悉中国电网实际运行特点,联合国内外**高校不断引进国内外先进技术,积极响应市场的需求,技术不断创新,坚持行业**地位,主要生产电力继电器及微机综合保护装置,电力智能配电设备,变电站自动化监控系统。产品广泛用于电力、工矿、铁路、建筑等国家重大工程输配变电系统上,产品远销东南亚及中东地区。
二、ZJC-3冲击继电器应用范围
ZJC-3静态冲击继电器在输配电线路中应用于直流操作的保护与控制中作为集中信号装置的主要元件,也可以用于特殊信号设备中。
三、ZJC-3冲击继电器技术要求
1、最小冲击动作直流电流: 0.015A;施加90%额定的最小冲击动作电流,装置应能可靠动作在-10°C~+50°C温度下,冲击动作电流不大于0.015A。
2、**冲击稳定直流电流: 3.20A。
3、功率消耗:
a、工作回路功率消耗: DC48V时≤1.5W; DC110V时≤3W; DC220V时≤5.5W。
b、启动回路功率消耗:冲击直流电流为3.2A≤1.5W时。
4、在一般情况下,继电器处于自动复归状态,继电器动作后保持5~10s自动复归;需要保持时,将保持端与电源负端连接,手动复归时,将复归端与电源正端或负端接通一下,勿闭锁。
注意: ZJC-3型功能和外部接线同ZC-23/A型,有断电复J三1功能,但无自动复归功能.若需此功能,订货时需注明;另如对最小冲击电流、自动复归时间等有特殊要求也需注明。
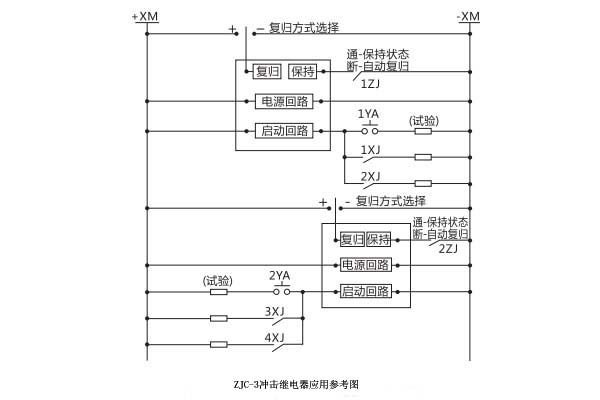
四、ZJC-3冲击继电器接线图


五、ZJC-3冲击继电器产品价格
公司一贯以“合理的价格,高质量的产品,准时的交货期,良好的信誉服务”为基本准则。本公司期待成为你忠实的朋友和合作伙伴,共创互惠双赢的未来!更多价格详细内容请来电咨询:021-57233089,如有任何疑问可以在线联系公司客服。
公司介绍:上海上继科技有限公司是一家专业从事电力系统继电保护及智能电网电力自动化产品的研发、设计、生产、销售和服务为一体的高科技公司。拥有资深继电保护专家团队和国内**的检测仪器及校验设备。同时还引用国内外先进技术,来进行技术创新。本公司的产品广泛用于电力、工矿、铁路、建筑等国家重大工程输配变电系统上,产品远销东南亚及中东地区。产品通过国家继电保护及自动化设备质量监督检验中心检测,获得ISO-9001国际质量体系认证。“科技创新,诚信务实”是公司的经营理念,本公司以高超的技术支持和对用户高度负责的售后服务赢得了输配电成套企业的信赖,且树立了良好的信誉。
上海上继科技有限公司(专注电力保护继电器生产厂家)销售热线:021-57233089 QQ:1932551438
{以上内容仅供参考,上海上继科技有限公司有最终解释权}
更多继电器精彩文章——DZY-204中间继电器技术数据及原理