JC-7/22冲击继电器主要用途及主要性能-上海上继科技有限公司
发布时间:2019-09-10
一、JC-7/22冲击继电器主要用途及主要性能
JC-7/22冲击继电器采用集成电路原理构成,可用于直流操作的继电保护及控制回路中,作为集中信号的主要元件。
继电器的功能见表:

a.将端子⑥、⑧短接可实现动作后延时自动复归;
b.将端子④、⑥短接可实现继电器延时动作,延时过程中若信号已消失继电器将结束延时,不再动作。
·继电器的主要特点是:抗纹波干流能力强,灯丝的冷态电阻与热态电阻差引起的电流突減不会使继电器误返回 。
二、JC-7/22冲击继电器技术参数
·额定直流辅助电压;220V、110V、48V。
·动作及返回电流见表。
·**长期稳定电流见表。
·延长时间: 2-lOs,连续可调。
·触点容量:在电压不超过250V,电流不超过5A,时间常数为5±0.75ms的直流有感负荷电路中,产品输出触点的断开容量为50W。输出触点在上述规定的负荷条件下,产品能可靠动作及返回5x104次。输出触点长期允许接通电流为5A。
·介质强度:产品各导电端子连在一起 ,对外露的非带电金属部分或外壳之间,能承受2000V(有效值)50Hz的交流电压历时1分钟试验而无绝缘击穿或闪络现象。
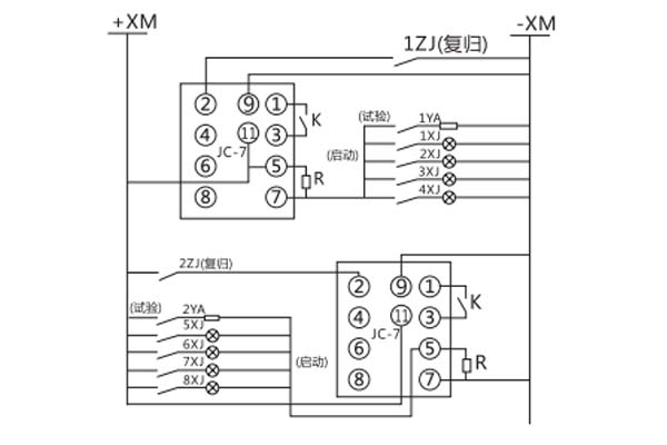
三、JC-7/22冲击继电器接线图


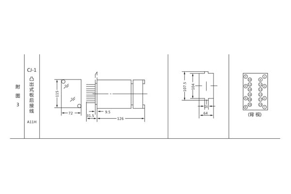
四、JC-7/22冲击继电器开孔尺寸


公司介绍:上海上继科技有限公司是一家专业从事电力系统继电保护及智能电网电力自动化产品的研发、设计、生产、销售和服务为一体的高科技公司。拥有资深继电保护专家团队和国内**的检测仪器及校验设备。同时还引用国内外先进技术,来进行技术创新。本公司的产品广泛用于电力、工矿、铁路、建筑等国家重大工程输配变电系统上,产品远销东南亚及中东地区。产品通过国家继电保护及自动化设备质量监督检验中心检测,获得ISO9001国际质量体系认证。“科技创新,诚信务实”是公司的经营理念,本公司以高超的技术支持和对用户高度负责的售后服务赢得了输配电成套企业的信赖,且树立了良好的信誉。
上海上继科技有限公司(专注电力保护继电器生产厂家)销售热线:021-57233089 QQ:1932551438
{以上内容仅供参考,上海上继科技有限公司有最终解释权}
更多继电器精彩文章——DZS-16BG中间继电器参数及开孔尺寸