DH-3型重合闸装置技术参数及开孔尺寸-上海上继科技有限公司
发布时间:2019-09-15一、DH-3型重合闸装置用途
DH-3重合闻装置用于输电线路上实现三相一次重合闸接线中,作为重合闸元件。

二、DH-3型重合闸装置技术参数

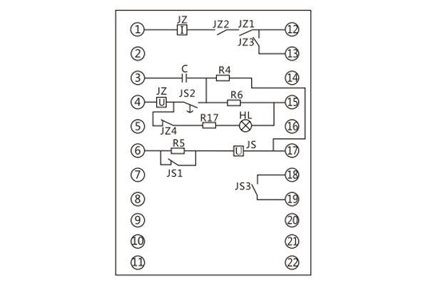
三、DH-3型重合闸装置接线图

四、DH-3型重合闸装置开孔尺寸
DH-3重合闻装置壳体, 见附图

公司介绍:上海上继科技有限公司是一家专业从事电力系统继电保护及智能电网电力自动化产品的研发、设计、生产、销售和服务为一体的高科技公司。拥有资深继电保护专家团队和国内**的检测仪器及校验设备。同时还引用国内外先进技术,来进行技术创新。本公司的产品广泛用于电力、工矿、铁路、建筑等国家重大工程输配变电系统上,产品远销东南亚及中东地区。产品通过国家继电保护及自动化设备质量监督检验中心检测,获得ISO9001国际质量体系认证。“科技创新,诚信务实”是公司的经营理念,本公司以高超的技术支持和对用户高度负责的售后服务赢得了输配电成套企业的信赖,且树立了良好的信誉。
上海上继科技有限公司(专注电力保护继电器生产厂家)销售热线:021-57233089 QQ:1932551438
{以上内容仅供参考,上海上继科技有限公司有最终解释权}
更多继电器精彩文章——DZL-202X中间继电器安装尺寸及原理