ZJJ-2C直流绝缘监视继电器技术参数及主要性能-上海上继科技有限公司
发布时间:2019-09-22一、ZJJ-2C直流绝缘监视继电器用途
ZJJ-2C型直流绝缘监视继电器是监视直流母线绝缘情况的一种继电器,并适用于监视低压直流母线绝缘情况。当母线对地绝缘降低到一定值时,继电器可预发警告信号。

二、ZJJ-2C直流绝缘监视继电器技术参数
电压等级和电流值: 220V、1.5mA; 110V、3.1mA;48V、6.3mA。
继电器动作值:当母线任何一侧对地绝缘电阻下降到下表值时,继电器应靠动作。

触点容量:在电压不大于250V,电流不大于2A的直流有感负荷电路中(时间常数不大于5±0.75ms) ,断开容量不大于50W。
触点寿命:继电器输出接点在上条规定的负荷条件下,产品能可靠动作及返回104次。
功率消耗:不大于7.5W。
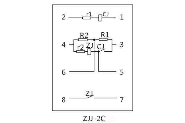
三、ZJJ-2C直流绝缘监视继电器接线图

公司介绍:上海上继科技有限公司是一家专业从事电力系统继电保护及智能电网电力自动化产品的研发、设计、生产、销售和服务为一体的高科技公司。拥有资深继电保护专家团队和国内**的检测仪器及校验设备。同时还引用国内外先进技术,来进行技术创新。本公司的产品广泛用于电力、工矿、铁路、建筑等国家重大工程输配变电系统上,产品远销东南亚及中东地区。产品通过国家继电保护及自动化设备质量监督检验中心检测,获得ISO9001国际质量体系认证。“科技创新,诚信务实”是公司的经营理念,本公司以高超的技术支持和对用户高度负责的售后服务赢得了输配电成套企业的信赖,且树立了良好的信誉。
上海上继科技有限公司(专注电力保护继电器生产厂家)销售热线:021-57233089 QQ:1932551438
{以上内容仅供参考,上海上继科技有限公司有最终解释权}
更多继电器精彩文章——JY8-12D电压继电器工作原理及技术要求