JJJ-2A静态直流绝缘监视继电器主要用途及技术参数-上海上继科技有限公司
发布时间:2019-09-22
一、JJJ-2A静态直流绝缘监视继电器产品型号分类及含义

二、JJJ-2A静态直流绝缘监视继电器技术参数
电流和直流电压: (220V、1.5mA);(110V、3.1mA) ; (48V、6.3mA)。
继电器动作值:当母线任何一侧对地绝缘电阻下降到下表值时,继电器应可靠动作并有相应的动作指示。

功率消耗:在直流220V额定电压下继电器动作后的功率消耗不大于5W。
热稳定性(过载能力):继电器可长期承受110%额定电压。
工作寿命:产品可靠工作寿命为104。
介质强度:在基准条件下,产品各导电部分连在一起,对外露非带电金属部分及外壳之间,能承受交流有效值2000V/50HZ的试验电压历时1分钟,无绝缘击穿或闪络现象。
触点性能:在电压不超过250V,电流不超过2A,时间常数为5±0.75ms的直流有感负荷电路中产品输出的断开容量为50W。在电压不大于250V,电流不大于1A的交流电路中功率因数为0.4±0.1)断开容量为250VA。
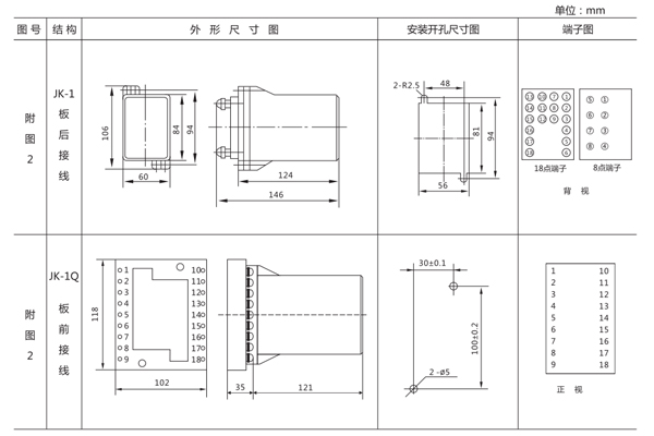
三、JJJ-2A静态直流绝缘监视继电器开孔尺寸

公司介绍:上海上继科技有限公司是一家专业从事电力系统继电保护及智能电网电力自动化产品的研发、设计、生产、销售和服务为一体的高科技公司。拥有资深继电保护专家团队和国内**的检测仪器及校验设备。同时还引用国内外先进技术,来进行技术创新。本公司的产品广泛用于电力、工矿、铁路、建筑等国家重大工程输配变电系统上,产品远销东南亚及中东地区。产品通过国家继电保护及自动化设备质量监督检验中心检测,获得ISO9001国际质量体系认证。“科技创新,诚信务实”是公司的经营理念,本公司以高超的技术支持和对用户高度负责的售后服务赢得了输配电成套企业的信赖,且树立了良好的信誉。
上海上继科技有限公司(专注电力保护继电器生产厂家)销售热线:021-57233089 QQ:1932551438
{以上内容仅供参考,上海上继科技有限公司有最终解释权}
更多继电器精彩文章——JY8-21C电压继电器开孔尺寸及应用范围