JJJ-2B静态直流绝缘监视继电器工作原理及使用方法-上海上继科技有限公司
发布时间:2019-09-23一、JJJ-2B静态直流绝缘监视继电器概述
发电厂和变电所的直流系统接线复杂,从主控制室到户外变配电现场的电缆数量多、接线复杂、距离长,发生二次接线接地和(直流)绝缘降低的机会较多,所以在直流系统回路中装设绝生象监视装置,以及时发现接地点和绝缘降低的情况来改变事故的发生。
HJJ系列静态直流绝缘监视继电器是我公司在原先的技术基础上最新研发的新一代高灵敏度产品。该产品完全可以代替原电磁型常规型号无需改变任何线路,与电磁型相比更直观、更可靠接线方式更多种方式远远满足客户需求。

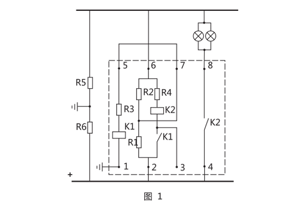
二、JJJ-2B静态直流绝缘监视继电器工作原理
R1、 R2 (R1=R2)为桥臂平衡电阻,R5、R6为直流母线对地绝缘电阻,灵敏元件K1跨接在地和平衡电阻之间。正常工作时,电桥平衡,灵敏元件上无电流通过。在一侧绝缘电阻下降时,便有一不平衡电流通过灵敏元件,当不平衡电流达到一定值时便侧绝缘电阻下降时,便有一不平衡电流通过灵敏元件,当不平衡电流达到一定值时便动作,再由继电器出口触点接通报警信号发信号如图所示。

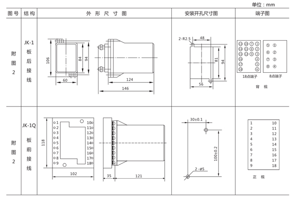
三、JJJ-2B静态直流绝缘监视继电器安装尺寸

公司介绍:上海上继科技有限公司是一家专业从事电力系统继电保护及智能电网电力自动化产品的研发、设计、生产、销售和服务为一体的高科技公司。拥有资深继电保护专家团队和国内**的检测仪器及校验设备。同时还引用国内外先进技术,来进行技术创新。本公司的产品广泛用于电力、工矿、铁路、建筑等国家重大工程输配变电系统上,产品远销东南亚及中东地区。产品通过国家继电保护及自动化设备质量监督检验中心检测,获得ISO9001国际质量体系认证。“科技创新,诚信务实”是公司的经营理念,本公司以高超的技术支持和对用户高度负责的售后服务赢得了输配电成套企业的信赖,且树立了良好的信誉。
上海上继科技有限公司(专注电力保护继电器生产厂家)销售热线:021-57233089 QQ:1932551438
{以上内容仅供参考,上海上继科技有限公司有最终解释权}
更多继电器精彩文章——JY8-21C电压继电器工作原理及生产厂家