DD-1/50接地继电器主要性能及技术要求-上海上继科技有限公司
发布时间:2019-09-23
一、DD-1/50接地继电器技术要求

各种规格继电器,在线圈串联或并联时,其阻抗角为+35°。
·额定电流:100mA、频率50Hz。
·整定刻度误差:不大于±6%。
·动作值变差:不大于6%。
·返回系数:不小于0.5。
·功率消耗:在最小整定电流时不大于0.015VA。
·动作时间:在1.2信整定电流时,动作时间不大于0.3s; 3倍整定电流时,动作时间不大于0.1s。
·触点容量:电压不大于250V,电流不大于0.5A时,继电器触点断开容量在直流有感负荷电路中间常数为5±0.75ms)为20W,在交流回路中为100VA。
·介质强度:继电器电路与外壳金属之间的绝缘应耐受交流50Hz,电压2000V历时1min的试验而无击穿或闪络现象。
二、DD-1/50接地继电器主要性能
DD-1/50接地继电器,为瞬时动作的过电流继电器,用作小电流接地电力系统高电压三相交流发电机和电动机的接地零序过电流保护。继电器线圈接零序电流互感器(电缆式、母线式、或者有三个相电流互感器组成的零序电流滤过器)。当被保护电机的零点经阻抗接地时继电器接入变流器的差动回路。当继电器接入由三个电流互感器组成零序电流滤过器时,还应接入闭锁继电器,以防止由于外部穿越性短路不稳定电流可能引起的误动作。
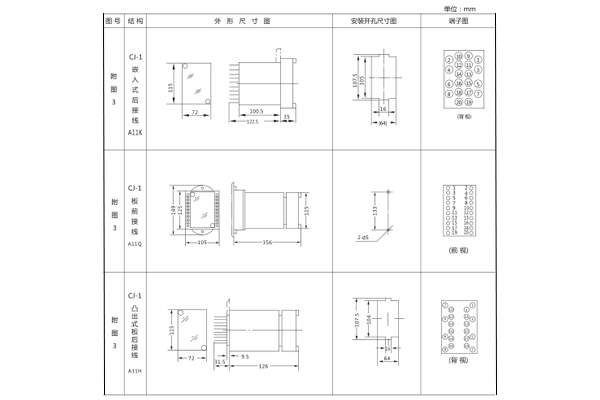
三、DD-1/50接地继电器接线图

四、DD-1/50接地继电器开孔尺寸

公司介绍:上海上继科技有限公司是一家专业从事电力系统继电保护及智能电网电力自动化产品的研发、设计、生产、销售和服务为一体的高科技公司。拥有资深继电保护专家团队和国内**的检测仪器及校验设备。同时还引用国内外先进技术,来进行技术创新。本公司的产品广泛用于电力、工矿、铁路、建筑等国家重大工程输配变电系统上,产品远销东南亚及中东地区。产品通过国家继电保护及自动化设备质量监督检验中心检测,获得ISO9001国际质量体系认证。“科技创新,诚信务实”是公司的经营理念,本公司以高超的技术支持和对用户高度负责的售后服务赢得了输配电成套企业的信赖,且树立了良好的信誉。
上海上继科技有限公司(专注电力保护继电器生产厂家)销售热线:021-57233089 QQ:1932551438
{以上内容仅供参考,上海上继科技有限公司有最终解释权}
更多继电器精彩文章——JY-31A电压继电器主要用途及生产厂家