JY-A/3DK电压继电器主要用途及技术条件-上海上继科技有限公司
发布时间:2019-09-25
一、JY-A/3DK电压继电器主要用途
JY-A/3DK无辅源电压继电器不需辅助电源继电器用于发电机、变压器、输变电线路的继电保护装置中,作为过电压保护或低电压闭锁启动元件。 本继电器为集成电器型,采用三位拨码开关整定电压值直观方便精度高、功耗小、无抖动、动作快、返回系数高。完全可代替DJ-100、 DY-20C、DY-30电磁型电压继电器,还增加了SJ-4新型壳体,35mm标准导轨安装,外形紧凑,安装方便等优点。
二、JY-A/3DK电压继电器主要技术条件
电压整定范围:19V-130V或40V-260V,过电压有80-440V。
功耗:**功耗不大于5W。
动作时间:欠电压继电器:0.5倍整定值的动作时间不大于20mS。 过电压继电器:1.2倍整定值的动作时间不大于25mS。 2倍整定值的动作时间不大于20mS。
返回时间:欠电压继电器返回时间不大于27mS;过电压继电器返回时间不大于27mS。
返回系数:欠电压继电器返回系数1.04~1.08,过电压继电器的返回系数0.93~0.97。
整定误差:额定值在19V至**值范围内,整定误差不大于2%;在极限温度下,19V以上任一整定值的误差不大于3%。
触点容量:继电器输出电路的触点能断开电压不大于250V,时间常数为5±0.75mS的直流有感负荷电路为50W,电压不大于 250V的交流电路(功率因数COSΦ为0.4±0.1)为250VA。继电器触点可长期接通5A。
电寿命:不低于106次。
机械寿命:不低于106次。
介质强度:继电器各导电端子连在一起,对外露非电带金属部分或外壳之间能承受2000V(有效值),50Hz的交流电压历时1分 钟试验而无绝缘击穿或飞弧现象。
绝缘电阻:继电器各导电端子连在一起,对外露非带电金属部分或外壳之间,用开路电压为500V的兆欧表测量其绝缘电阻不 小于300MΩ。 工作环境条件:温度-10℃~+50℃,相对湿度不大于90%,海拔高度不大于2000M。
抗干扰性能:继电器的抗干扰负荷DL478-92《静态继电保护及安全自动装置通用技术条件》 。
三、JY-A/3DK电压继电器内部接线图及外引接线图(正视图)

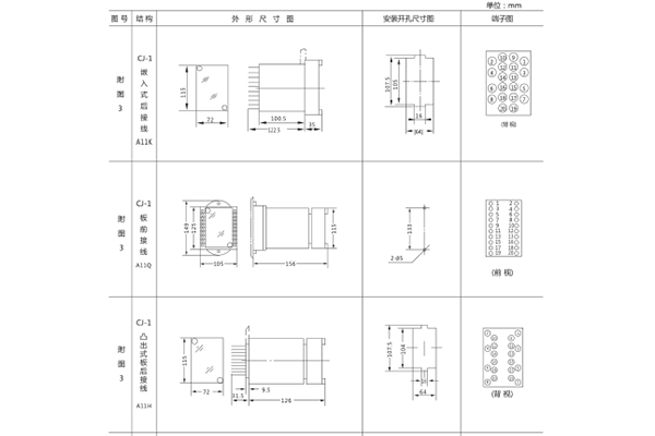
四、JY-A/3DK电压继电器继电器外形尺寸及开孔尺寸

公司介绍:上海上继科技有限公司是一家专业从事电力系统继电保护及智能电网电力自动化产品的研发、设计、生产、销售和服务为一体的高科技公司。拥有资深继电保护专家团队和国内**的检测仪器及校验设备。同时还引用国内外先进技术,来进行技术创新。本公司的产品广泛用于电力、工矿、铁路、建筑等国家重大工程输配变电系统上,产品远销东南亚及中东地区。产品通过国家继电保护及自动化设备质量监督检验中心检测,获得ISO9001国际质量体系认证。“科技创新,诚信务实”是公司的经营理念,本公司以高超的技术支持和对用户高度负责的售后服务赢得了输配电成套企业的信赖,且树立了良好的信誉。
上海上继科技有限公司(专注电力保护继电器生产厂家)销售热线:021-57233089 QQ:1932551438
{以上内容仅供参考,上海上继科技有限公司有最终解释权}
更多继电器精彩文章——LG-11功率方向继电器产品图片及产品价格