JX-D/1静态信号继电器应用范围及接线图-上海上继科技有限公司
发布时间:2019-10-15一、JX-D/1静态信号继电器应用范围
JX-D/1静态信号继电器用于直流操作的电力系统电流保护和自动控制装置中,作为故障动作指示信号。

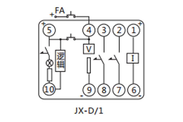
二、JX-D/1静态信号继电器接线图

三、JX-D/1静态信号继电器型号含义及命名

四、JX-D/1静态信号继电器特点
动作速度相当快,能很好地与采用真空开关(动作迅速)的跳合闸回路配合,准确反应动作信号。
可满足当前建立无人值班室的要求,该继电器既能远方电动复归又能现场手动复归。
带有多组动合触点,同时可满足现场信号指示及遥信等要求。
采用进口磁保持小中间作为出口,继电器动作后即使直流消失也能保持动作状态。
具有宽电流动作范围,从0.02A至2A继电器均能准确动作,且动作后线圈内阻极低,用户在谁家中可不必考虑。同时有电压动作型。
具有延时自动复归功能规格的信号继电器,在发出5,秒~10秒(可调)信号后,自动复归,省去了工作人员的操作。
具有多种外壳形式及短暂接线,可替代DX-30系列、DX-8、8G系列、DXM-2A、DX-11、11A系列信号继电器。
防振性极强,并可任意安装。
动作指示信号鲜明,寿命长。
公司介绍:上海上继科技有限公司是一家专业从事电力系统继电保护及智能电网电力自动化产品的研发、设计、生产、销售和服务为一体的高科技公司。拥有资深继电保护专家团队和国内**的检测仪器及校验设备。同时还引用国内外先进技术,来进行技术创新。本公司的产品广泛用于电力、工矿、铁路、建筑等国家重大工程输配变电系统上,产品远销东南亚及中东地区。产品通过国家继电保护及自动化设备质量监督检验中心检测,获得ISO9001国际质量体系认证。“科技创新,诚信务实”是公司的经营理念,本公司以高超的技术支持和对用户高度负责的售后服务赢得了输配电成套企业的信赖,且树立了良好的信誉。
上海上继科技有限公司(专注电力保护继电器生产厂家)销售热线:021-57233089 QQ:1932551438
{以上内容仅供参考,上海上继科技有限公司有最终解释权}
更多继电器精彩文章——JZ-Y-17静态中间继电器主要用途及接线图