JX-D/1静态信号继电器生产厂家及技术要求-上海上继科技有限公司
发布时间:2019-10-15一、JX-D/1静态信号继电器生产厂家
上海上继科技有限公司是一家专业从事电力系统继电保护及电力自动化的高新技术企业。公司主要生产各种微机综合保护装置,电力保护继电器、电力仪表等产品。公司集研发、设计、生产、销售和服务于一体,致力于为国内外输配电、水利、城建、能源、矿山、化工客户提供一整套从低压到高压、从硬件到软件的系统级整体解决方案和配套服务。公司总部设在上海,全国各地设有办事机构。

上海上继领域非常广,如:时间继电器、中间继电器、电流继电器、电压继电器、信号继电器、闪光继电器、冲击继电器、同步继电器、接地继电器、双位置继电器、差动继电器、重合闸继电器、绝缘监视及其它继电器等。今天主要讲解时间继电器中的一种JX-D/1静态信号继电器。
二、JX-D/1静态信号继电器技术要求
额定值
电压型额定工作电压:DC220V、110V; 交流信号继电器可根据客户要求定做。
电流型额定工作电流:10mA~2A;如有特殊要求可定做。
动作值
电压型:不大于70%额定电压;
电流型:不大于90%额定电流。
动作时间:在额定工作状态不大于20mS。
触点容量
继电器输出电器的触点断开电压不大于250V,时间常数为5±0.75mS的直流有负荷电路为50W,电压不大于250V的交
流电路(功率因数COSΦ为0.4±0.1)为250VA。继电器触点可长期接头2A。
介质强度:继电器各导电端子连在一起对外露的非带电金属部分或外壳之间,能承受2000V(有效值),50Hz的交流 电压,历时1分钟试验而无绝缘击穿或飞弧现象。
绝缘电阻:继电器各导电端子连在一起对外露的非带电金属部分或外壳之间,用开路电压500V的兆欧表测量其绝缘电阻 不小于300MΩ。
功率消耗:功率消耗不大于10W。
电寿命:继电器触点接于规定容量的电流负荷中,能可靠动作及返回,电寿命105次。
机电寿命:继电器不接负荷能可靠动作及返回,其机械寿命为106次。
抗干扰性能:继电器的抗干扰符合DL478-92《静态继电保护及安全自动装置通用技术条件》。
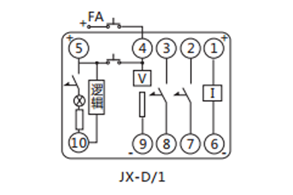
三、JX-D/1静态信号继电器接线图

公司介绍:上海上继科技有限公司是一家专业从事电力系统继电保护及智能电网电力自动化产品的研发、设计、生产、销售和服务为一体的高科技公司。拥有资深继电保护专家团队和国内**的检测仪器及校验设备。同时还引用国内外先进技术,来进行技术创新。本公司的产品广泛用于电力、工矿、铁路、建筑等国家重大工程输配变电系统上,产品远销东南亚及中东地区。产品通过国家继电保护及自动化设备质量监督检验中心检测,获得ISO9001国际质量体系认证。“科技创新,诚信务实”是公司的经营理念,本公司以高超的技术支持和对用户高度负责的售后服务赢得了输配电成套企业的信赖,且树立了良好的信誉。
上海上继科技有限公司(专注电力保护继电器生产厂家)销售热线:021-57233089 QQ:1932551438
{以上内容仅供参考,上海上继科技有限公司有最终解释权}
更多继电器精彩文章——JZ-Y-17静态中间继电器说明书及技术要求