DLS-43/6-4双位置继电器主要用途及技术条件-上海上继科技有限公司
发布时间:2019-10-16
一、DLS-43/6-4双位置继电器主要用途
DLS-43/6-4双位置继电器用于各种保护和自动控制装置中 ,以实现闭锁作用。
二、 DLS-43/6-4双位置继电器技术条件
1、额定电压: DC220V、110V、48V;AC220V、110V。
2、额定电流:0.25A、 0.5A、lA、2A、4A、6A。
3、动作电压:不大于额定电压的70%。
4、动作电流:不大于额定电流。
5、功率消耗:直流不大于7W;交流不大于15VA。
6、介质强度
产品各导电电路连在一起对外露的非带电金属零件或外壳之间,以及线圈电路对触点电路之间,应能承受2kV(有效值),50Hz的交流试验电压历时1min的试验 ,而无绝缘击穿或闪络现象。
7、触点性能
产品触点应能断开电压不超过250V,电流不超过1A,容量为50W的直流有感负荷电路(时间常数为5±75ms),或电压不超过250V,电流不超过3A,容量为250VA的交流电路(功率因数为0.4±0.1)5000次。
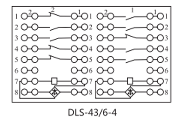
三、DLS-43/6-4双位置继电器接线图

四、DLS-43/6-4双位置继电器开孔尺寸

公司介绍:上海上继科技有限公司是一家专业从事电力系统继电保护及智能电网电力自动化产品的研发、设计、生产、销售和服务为一体的高科技公司。拥有资深继电保护专家团队和国内**的检测仪器及校验设备。同时还引用国内外先进技术,来进行技术创新。本公司的产品广泛用于电力、工矿、铁路、建筑等国家重大工程输配变电系统上,产品远销东南亚及中东地区。产品通过国家继电保护及自动化设备质量监督检验中心检测,获得ISO9001国际质量体系认证。“科技创新,诚信务实”是公司的经营理念,本公司以高超的技术支持和对用户高度负责的售后服务赢得了输配电成套企业的信赖,且树立了良好的信誉。
上海上继科技有限公司(专注电力保护继电器生产厂家)销售热线:021-57233089 QQ:1932551438
{以上内容仅供参考,上海上继科技有限公司有最终解释权}
更多继电器精彩文章——JY-3/1电压监视继电器使用方法及接线图