JSW-34双位置继电器主要性能及技术要求-上海上继科技有限公司
发布时间:2019-10-19
一、JSW-34双位置继电器技术要求
1、直流工作电压额定值:DC220V、110V、48V。
2、动作电压及复归电压:不大于70%额定电压。
3、动作时间(返回时间)在额定工作状态下,动作时间不大于12ms;返回时间不大于10ms。
4、功率消耗:在220VDC额定电压下继电器动作后的功率消耗不大于4W。
5、热稳定性(过裁能力) 继电器可长期承受110%的额定电压。
6、工作寿命:产品工作寿命为104次。
7、触点性能
继电器触点在电压不大于250V.电流不大于2A的直流有感负荷(时间常数为5ms±0.75ms)电路中, 断开容量为50W;在电压不大于250V,电流不大于1A的交流电路中(功率因数为0.4±0.1),断开容量为250VA。
8.绝缘电阻
继电器各电路对外露的非带电金属部分及无电气联系的各回路之间的绝缘电阻应不小于100MΩ。
9.介质强度
继电器各电路对外露的非金属部分之间, 以及线圈电路对触点电路之间,应能承受2kV(有效值)、50Hz的交流试验电压,历时1min试验 ,应无绝缘击穿或内络现象。
10、抗干流性能:继电器的抗高频干流应符合DL/T478-2001«静态继电保护及安全自动装置通用技术条件»中的有关规定。
二、JSW-34双位置继电器接线图

三、JSW-34双位置继电器主要性能
JSW-34静态双位置继电器(以下简称继电器) ,用于直流操作的保持控制回路中作为反应手动操作开关位置指示器.并实现闭锁。
该继电器为静态型双位置继电器, 设计先进、结构合理 ,是我国目前理想的更新换代产品。该继电器具有以下鲜明特点:
1、反应置位和复位快,不大于12ms。
2、置位和复位的激励量可以为连续量或脉冲量(通电时间大于50ms)。
3、置位和复位的接入不影响接入处的电流回路。
4、触点数量多。
5、LED信号灯指示继电器状态。
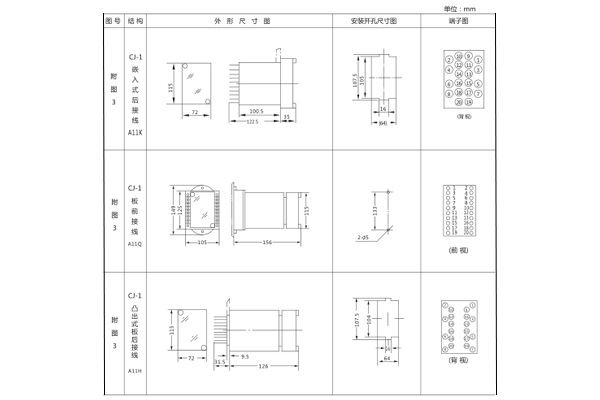
四、JSW-34双位置继电器开孔尺寸

公司介绍:上海上继科技有限公司是一家专业从事电力系统继电保护及智能电网电力自动化产品的研发、设计、生产、销售和服务为一体的高科技公司。拥有资深继电保护专家团队和国内**的检测仪器及校验设备。同时还引用国内外先进技术,来进行技术创新。本公司的产品广泛用于电力、工矿、铁路、建筑等国家重大工程输配变电系统上,产品远销东南亚及中东地区。产品通过国家继电保护及自动化设备质量监督检验中心检测,获得ISO9001国际质量体系认证。“科技创新,诚信务实”是公司的经营理念,本公司以高超的技术支持和对用户高度负责的售后服务赢得了输配电成套企业的信赖,且树立了良好的信誉。
上海上继科技有限公司(专注电力保护继电器生产厂家)销售热线:021-57233089 QQ:1932551438
{以上内容仅供参考,上海上继科技有限公司有最终解释权}
更多继电器精彩文章——BDZ-1B代周率继电器开孔尺寸及说明书